Partiron

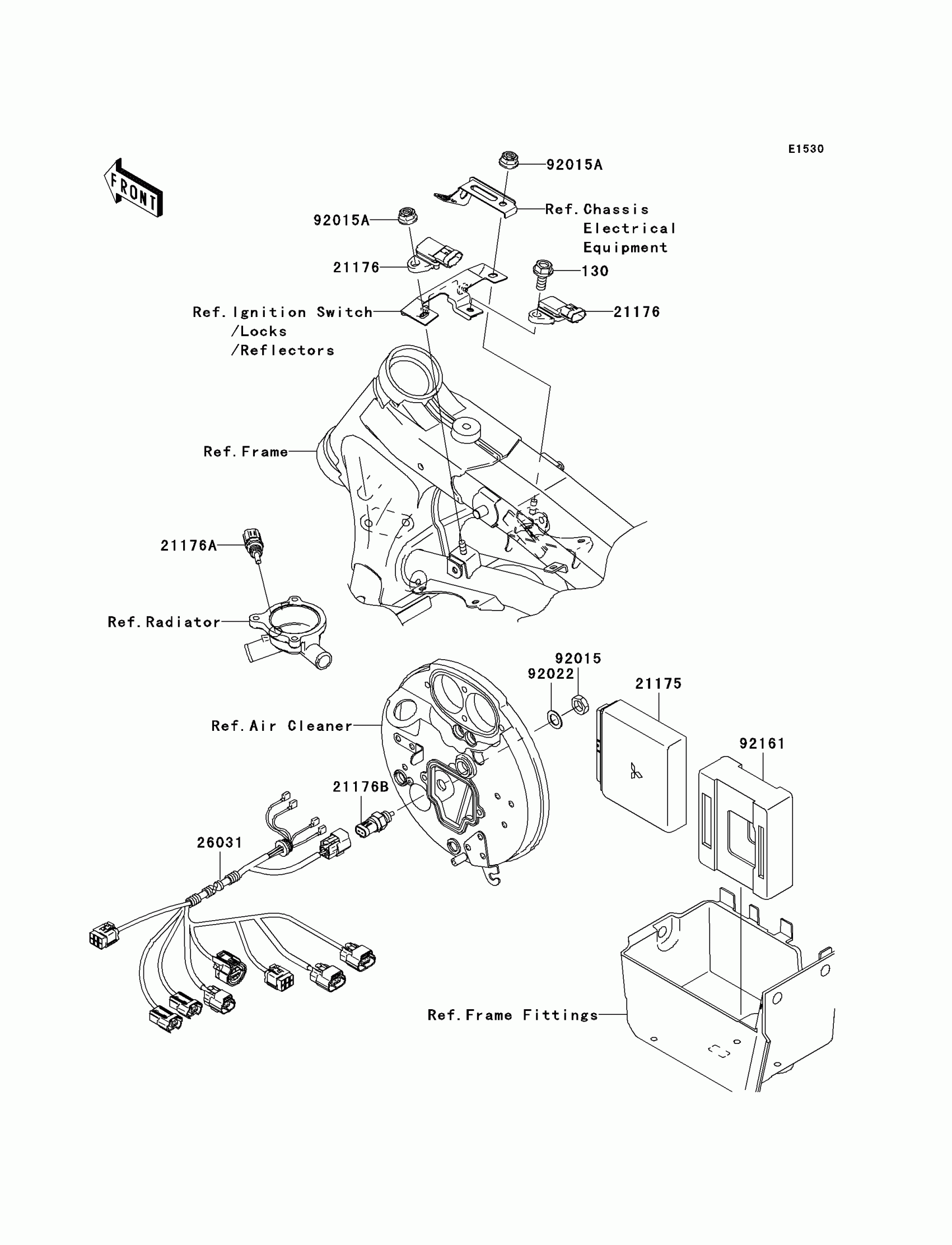
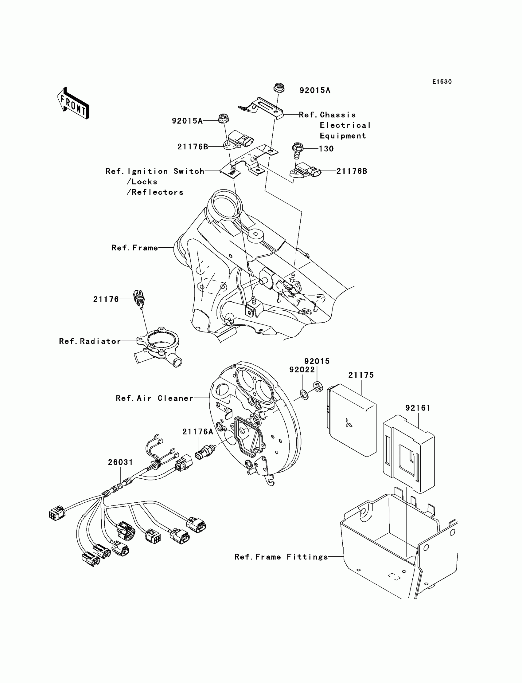
Kawasaki Vulcan 1600 Nomad Fuel Injection Diagram

#

Description
Price

130

BOLT-FLANGED,6X14

130L0614

$2.33

21175

CONTROL UNIT-ELECTRONIC

21175-0048

$1,292.39

21176

SENSOR,WATER TEMPERATURE

21176-1085

$76.42

21176A

SENSOR,AIR TEMPERATURE

21176-1086

$68.42

21176B

SENSOR

21176-1118

$141.24

26031

HARNESS

26031-0300

$157.72

92015

NUT,12MM

92015-1395

$5.88

92015A

NUT,LOCK,FLANGED,6MM

92015-1603

$4.69

92022

WASHER,12.3X20X0.5

92022-269

$1.25

92161

DAMPER

92161-1210

$33.99