- Partiron
- OEM Parts
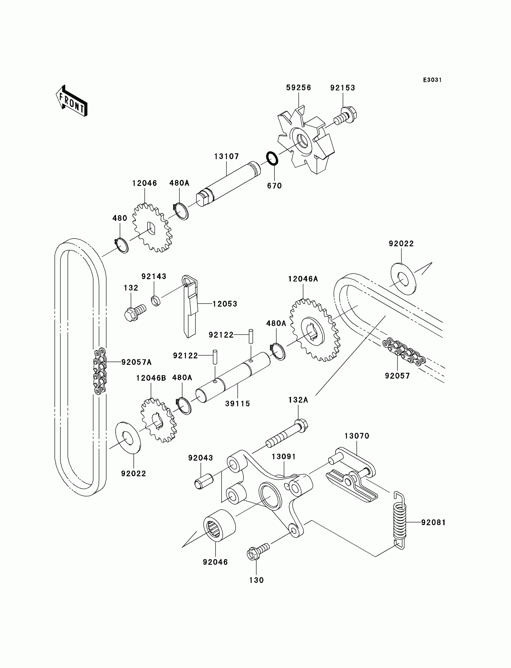
- Kawasaki
- motorcycle
- 2005
- Vulcan 1600 Mean Streak
Water Pump
Kawasaki Vulcan 1600 Mean Streak Water Pump Diagram
#
Description
Price
130
BOLT-FLANGED,5X14
130D0514
Unavailable
