Partiron

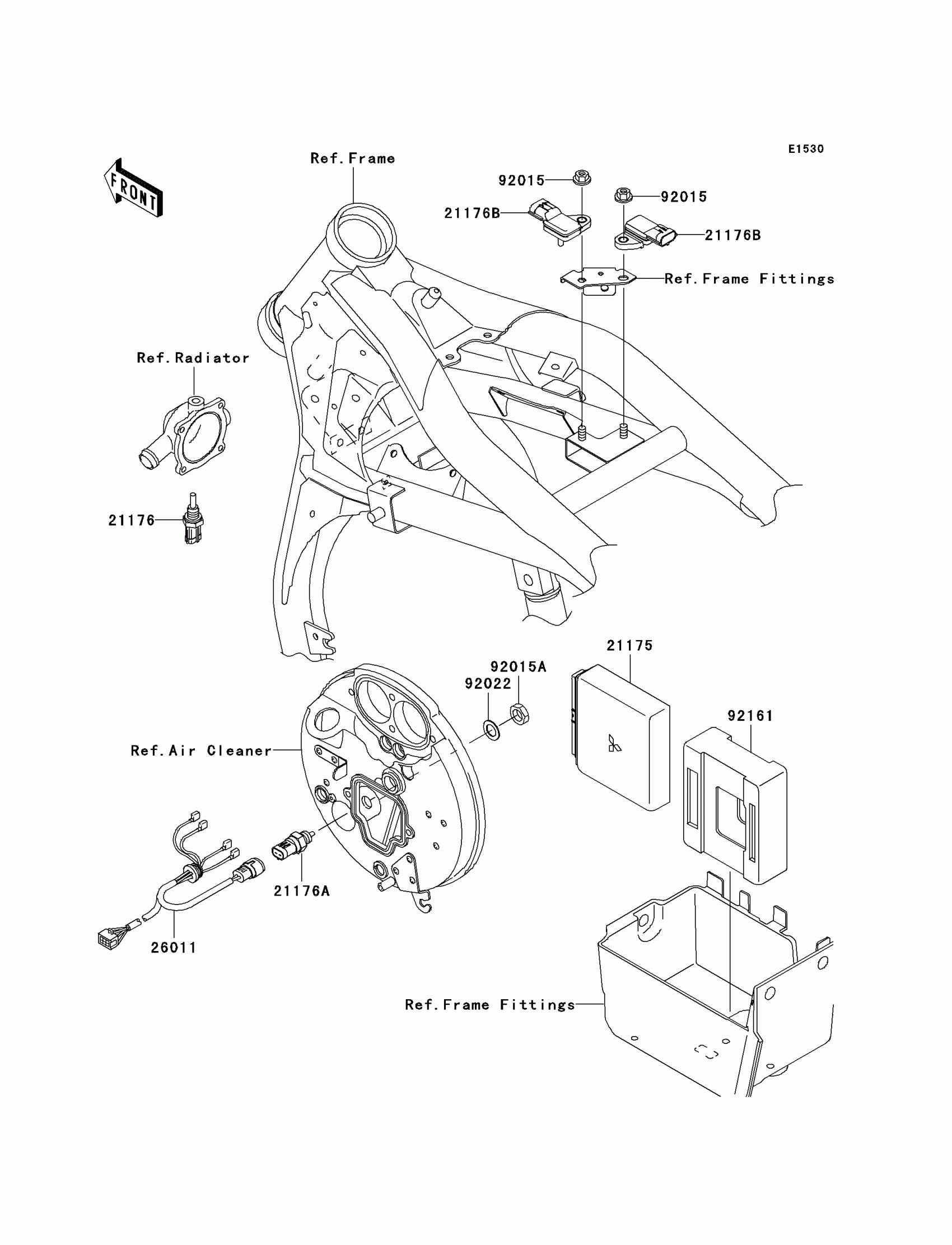
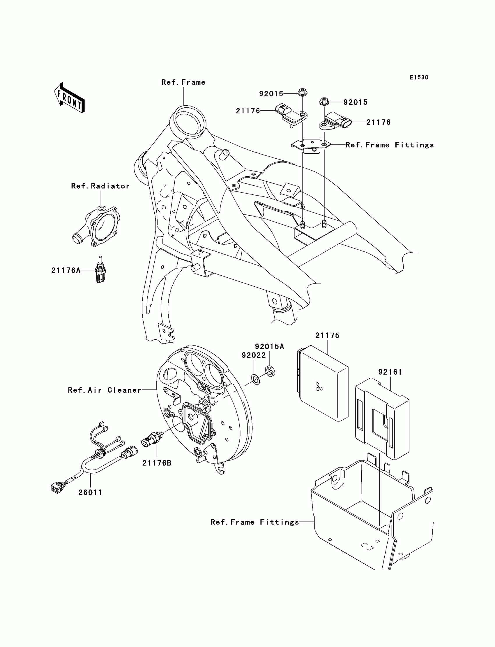
Kawasaki Vulcan 1600 Mean Streak Fuel Injection Diagram

#

Description
Price

21175

CONTROL UNIT-ELECTRONIC

21175-0011

$1,150.51

21176

SENSOR,WATER TEMPERATURE

21176-1085

$76.42

21176A

SENSOR,AIR TEMPERATURE

21176-1086

$68.42

21176B

SENSOR

21176-1118

$141.24

26011

WIRE-LEAD

26011-1776

$87.25

92015

NUT,FLANGED,6MM,BLACK

92015-1386

Unavailable

92015A

NUT,12MM

92015-1395

$5.88

92022

WASHER,12.3X20X0.5

92022-269

$1.25

92161

DAMPER

92161-1210

$33.99