- Partiron
- OEM Parts
- Kawasaki
- motorcycle
- 2005
- Vulcan 1600 Classic
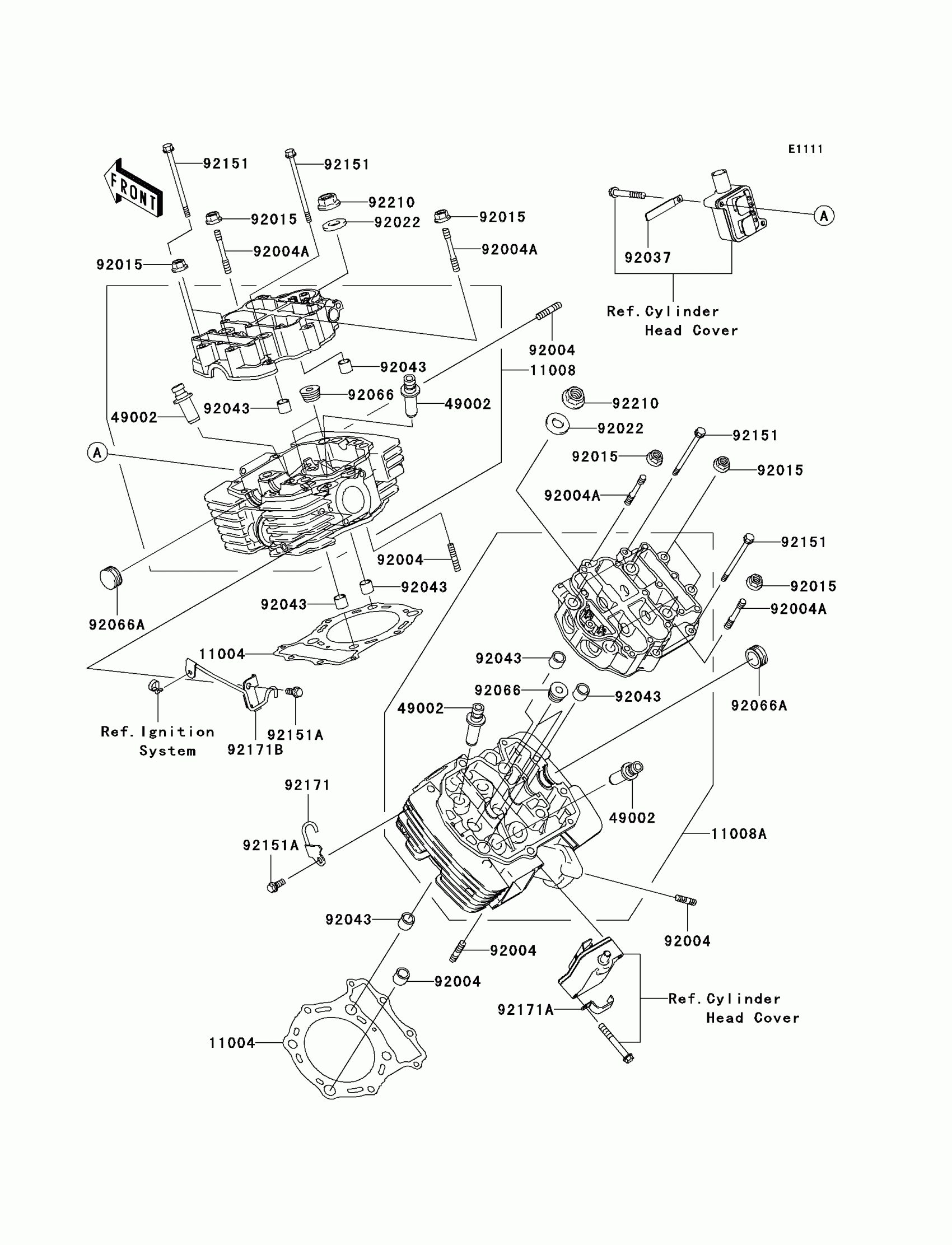
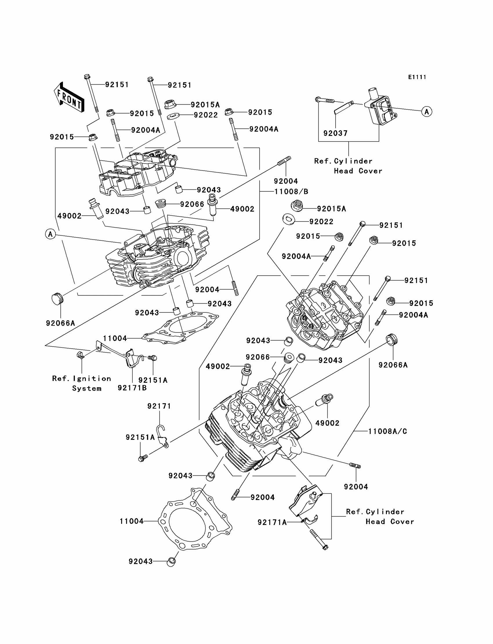
Cylinder Head
Kawasaki Vulcan 1600 Classic Cylinder Head Diagram
#
Description
Price
49002
GUIDE-VALVE
49002-1088
Unavailable
92004
STUD,8X25
92004-1214
Unavailable
92015A
NUT,12MM
92015-1991
Unavailable
