- Partiron
- OEM Parts
- Kawasaki
- motorcycle
- 2001
- Vulcan 1500 Nomad
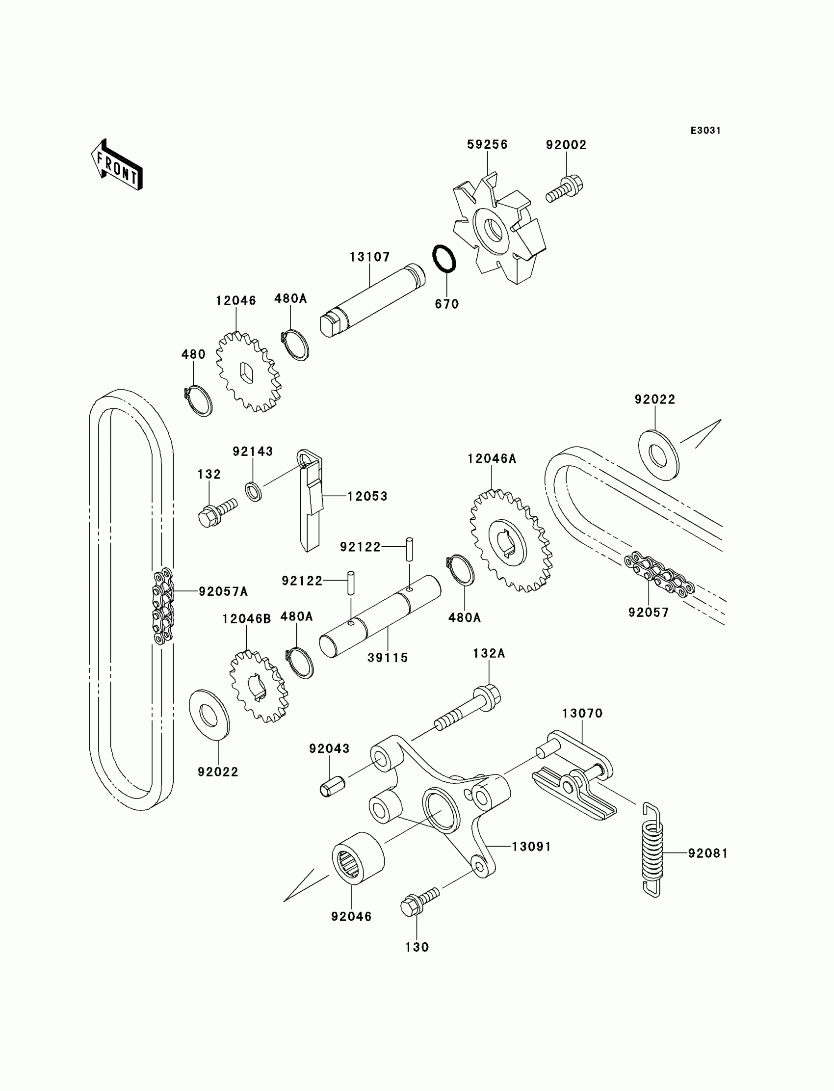
Water Pump
Kawasaki Vulcan 1500 Nomad Water Pump Diagram
#
Description
Price
130
BOLT-FLANGED,5X14
130D0514
Unavailable
92002
BOLT,6X12
92002-1902
Unavailable
