- Partiron
- OEM Parts
- Kawasaki
- motorcycle
- 2000
- Vulcan 1500 Nomad Fi
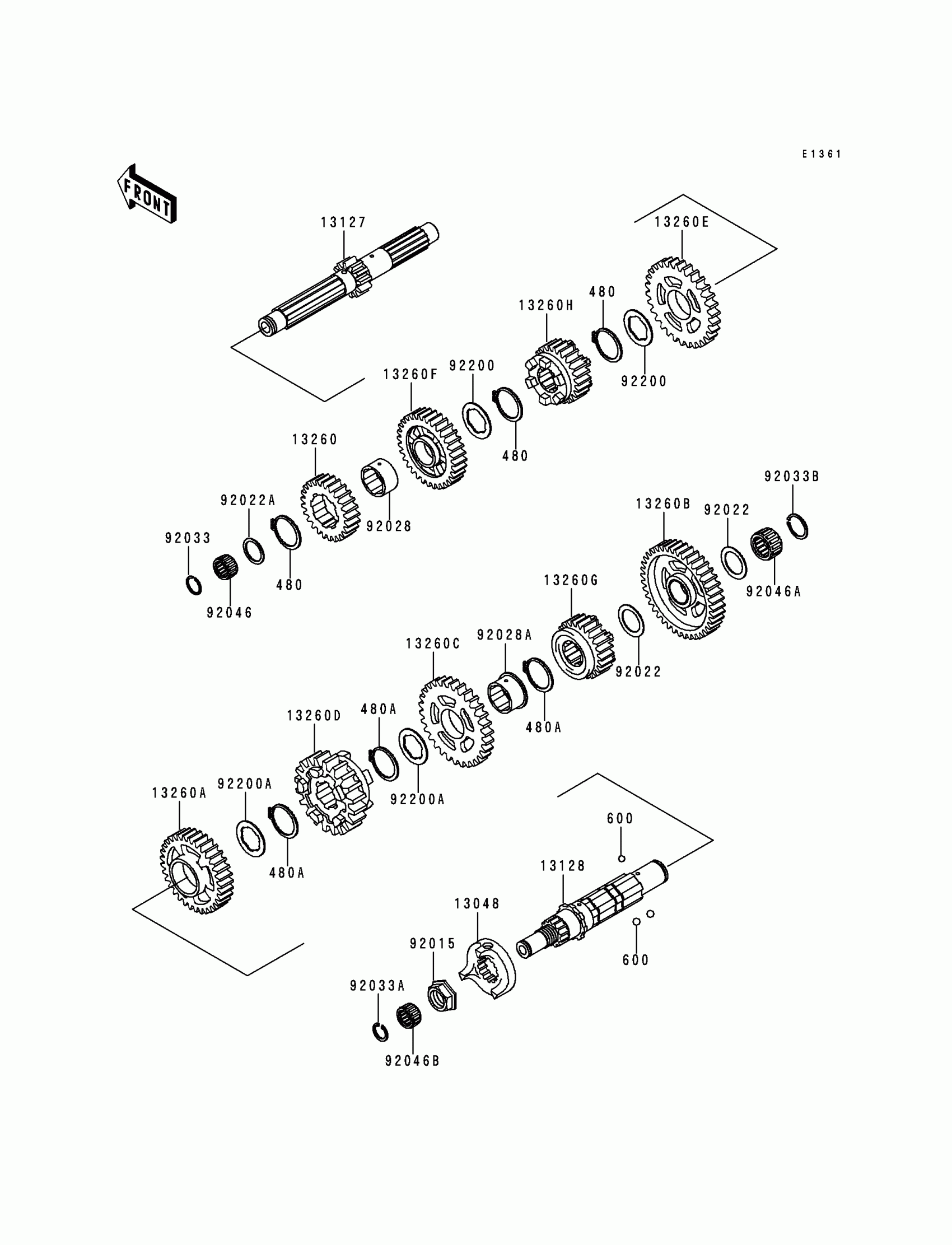
Transmission
Kawasaki Vulcan 1500 Nomad Fi Transmission Diagram
#
Description
Price
13127
SHAFT-TRANSMISSION INPUT
13127-1260
Unavailable
13128
SHAFT-TRANSMISSION OUTPUT
13128-1227
Unavailable
13260
GEAR,INPUT 2ND,22T
13260-1695
Unavailable
13260B
GEAR,OUTPUT LOW,40T
13260-1728
Unavailable
13260D
GEAR,OUTPUT TOP,25T
13260-1813
Unavailable
