- Partiron
- OEM Parts
- Kawasaki
- motorcycle
- 2000
- Vulcan 1500 Drifter
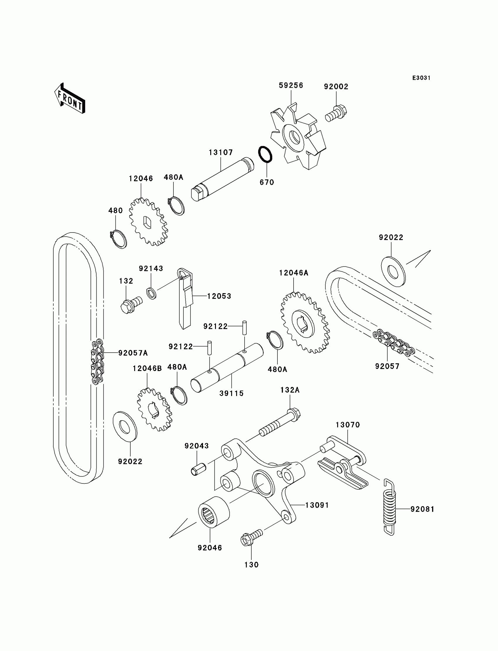
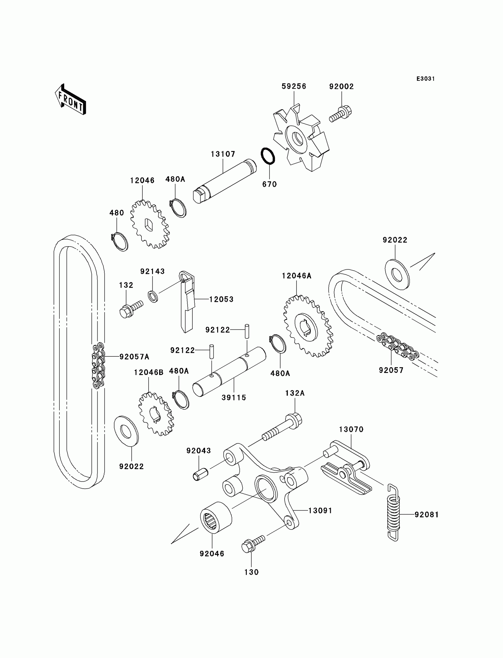
Water Pump
Kawasaki Vulcan 1500 Drifter Water Pump Diagram
#
Description
Price
130
BOLT-FLANGED,5X14
130D0514
Unavailable
92002
BOLT,6X12
92002-1902
Unavailable
