- Partiron
- OEM Parts
- Kawasaki
- motorcycle
- 1997
- Vulcan 1500 Classic
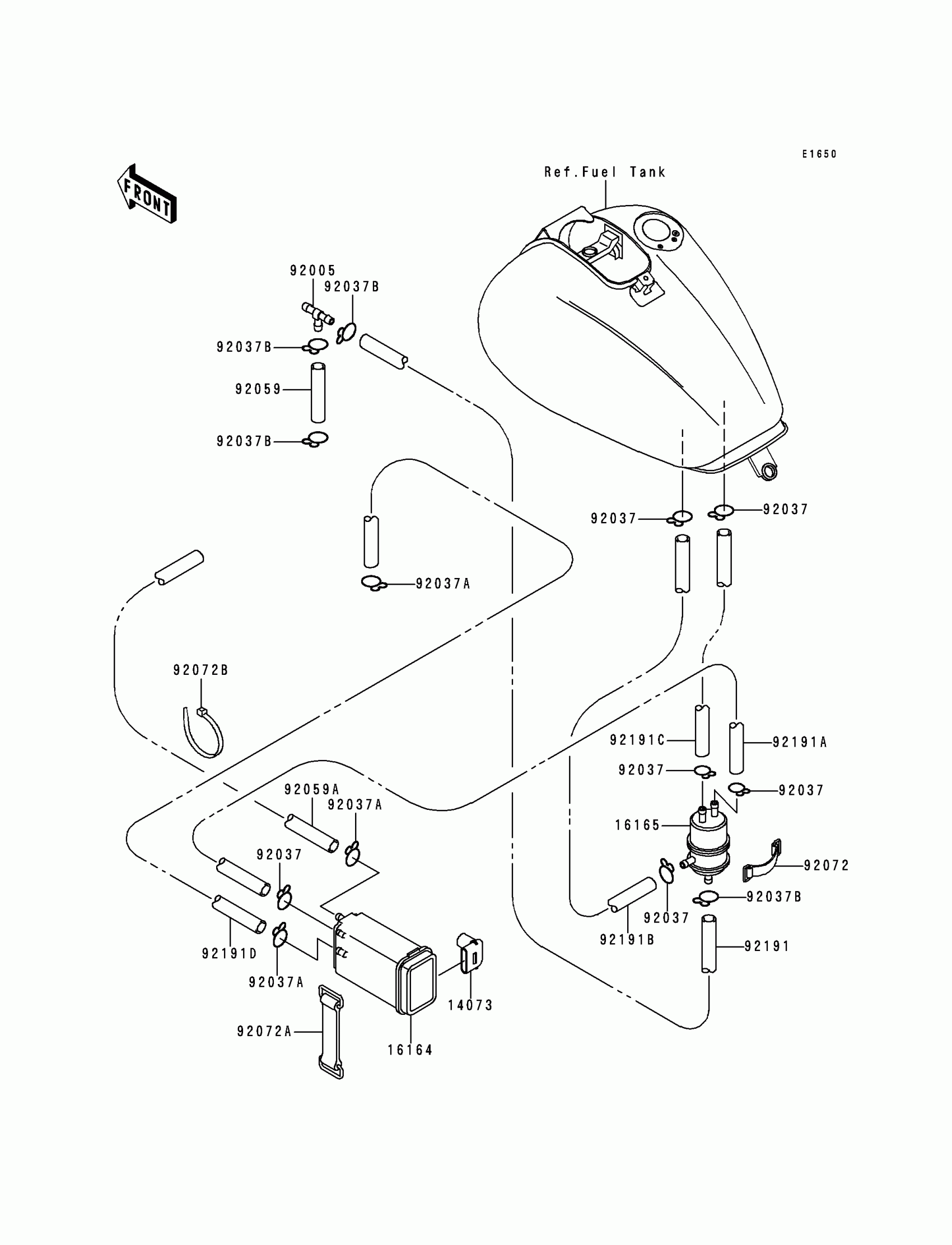
Fuel Evaporative System
Kawasaki Vulcan 1500 Classic Fuel Evaporative System Diagram
#
Description
Price
92005
FITTING,TUBE,T-TYPE
92005-1017
Unavailable
