- Partiron
- OEM Parts
- Kawasaki
- motorcycle
- 1997
- Vulcan 1500 Classic
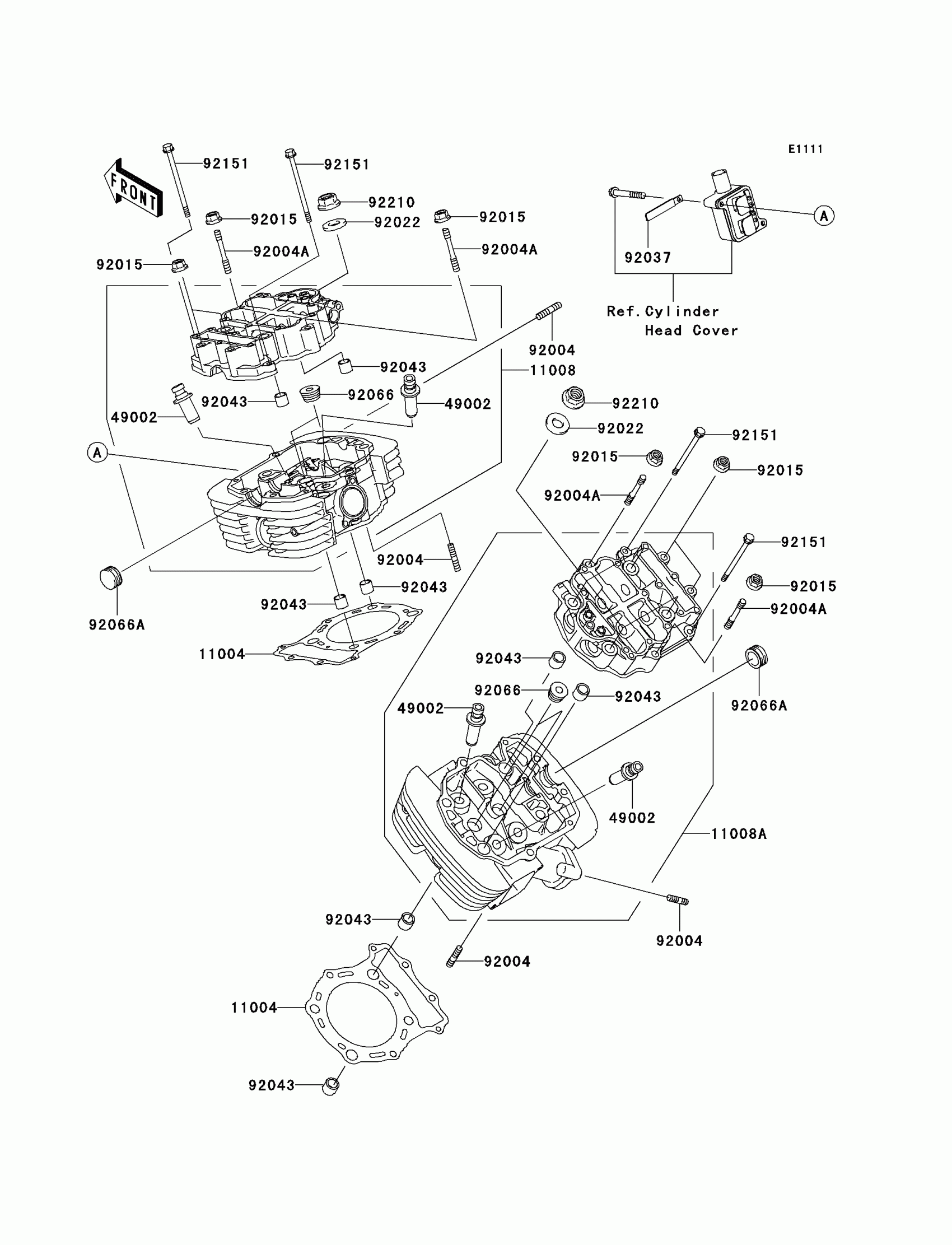
Cylinder Head
Kawasaki Vulcan 1500 Classic Cylinder Head Diagram
#
Description
Price
11008
HEAD-COMP-CYLINDER,FR
11008-1313
Unavailable
11008A
HEAD-COMP-CYLINDER,RR
11008-1314
Unavailable
49002
GUIDE-VALVE
49002-1088
Unavailable
92004
STUD,8X25
92004-1214
Unavailable
92015A
NUT,12MM
92015-1991
Unavailable
