- Partiron
- OEM Parts
- Honda
- MOTORCYCLE
- 1990
- VTR250A (90) VTR, JPN, VIN# JH2MC150-LM200001 TO JH2MC150-LM201140
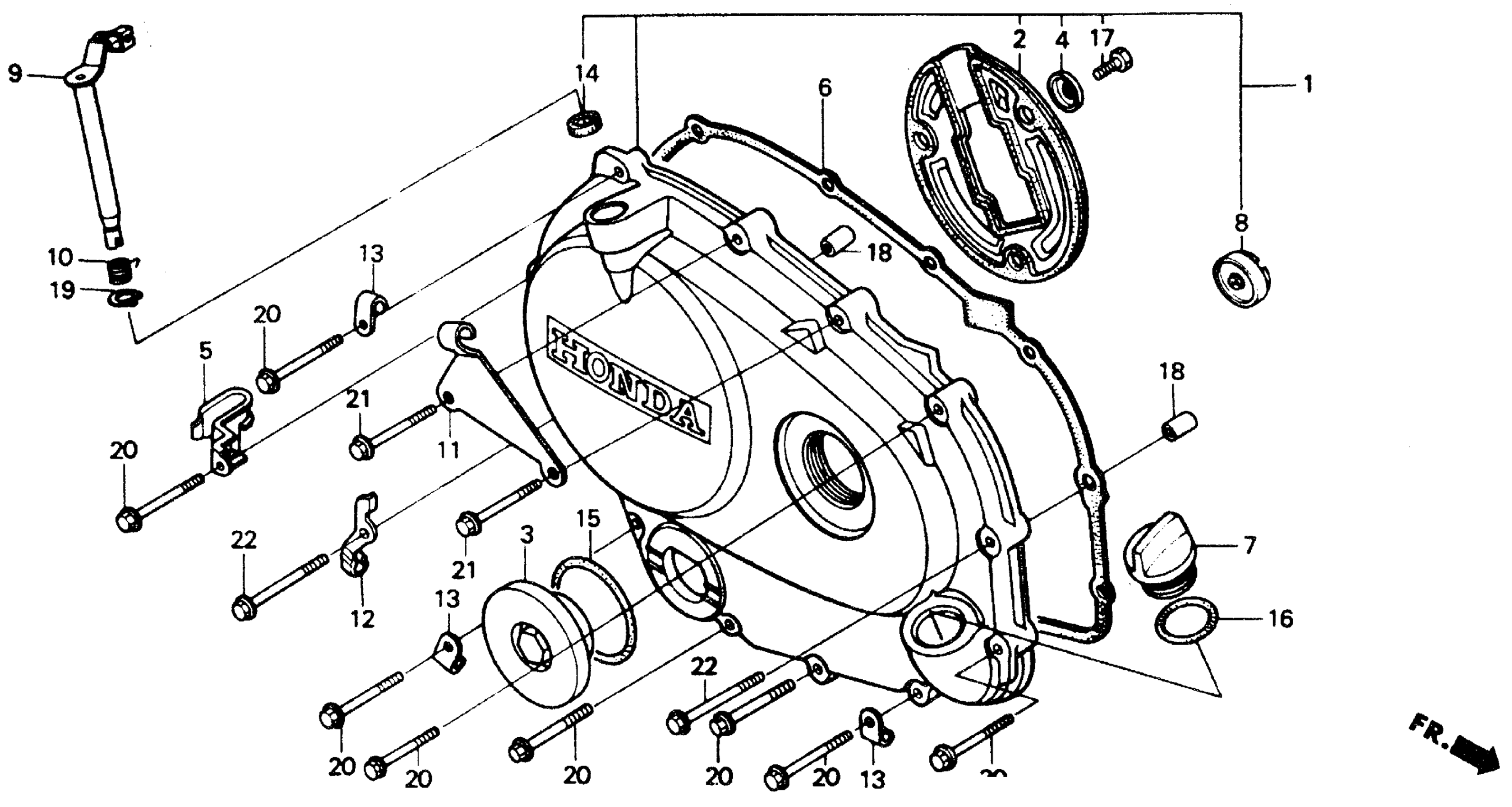
RIGHT CRANKCASE COVER
Honda VTR250A (90) VTR, JPN, VIN# JH2MC150-LM200001 TO JH2MC150-LM201140 RIGHT CRANKCASE COVER Diagram
#
Description
Price
1
COVER, R. CRANKCASE (NOT AVAILABLE)
11330-KV0-700
Unavailable
2
PLATE, R. COVER
11332-KV0-003
Unavailable
4
WASHER, SPECIAL (6MM)
11334-KV0-000
Unavailable
5
CLAMP, TUBE
11337-KV0-000
Unavailable
8
FINDER, OIL LEVEL
15661-KM3-005
Unavailable
9
LEVER, CLUTCH
22710-KV0-700
Unavailable
11
RECEIVER, CLUTCH CABLE
22821-KV0-700
Unavailable
12
CLAMP, SWITCH WIRE
35211-KV0-000
Unavailable
17
BOLT, HEX. (6X10)
93301-06010-0A
Unavailable
