- Partiron
- OEM Parts
- Honda
- MOTORCYCLE
- 1987
- VT700CA (87) SHADOW, JPN, VIN# JH2RC190-HM300001 TO JH2RC190-HM303205
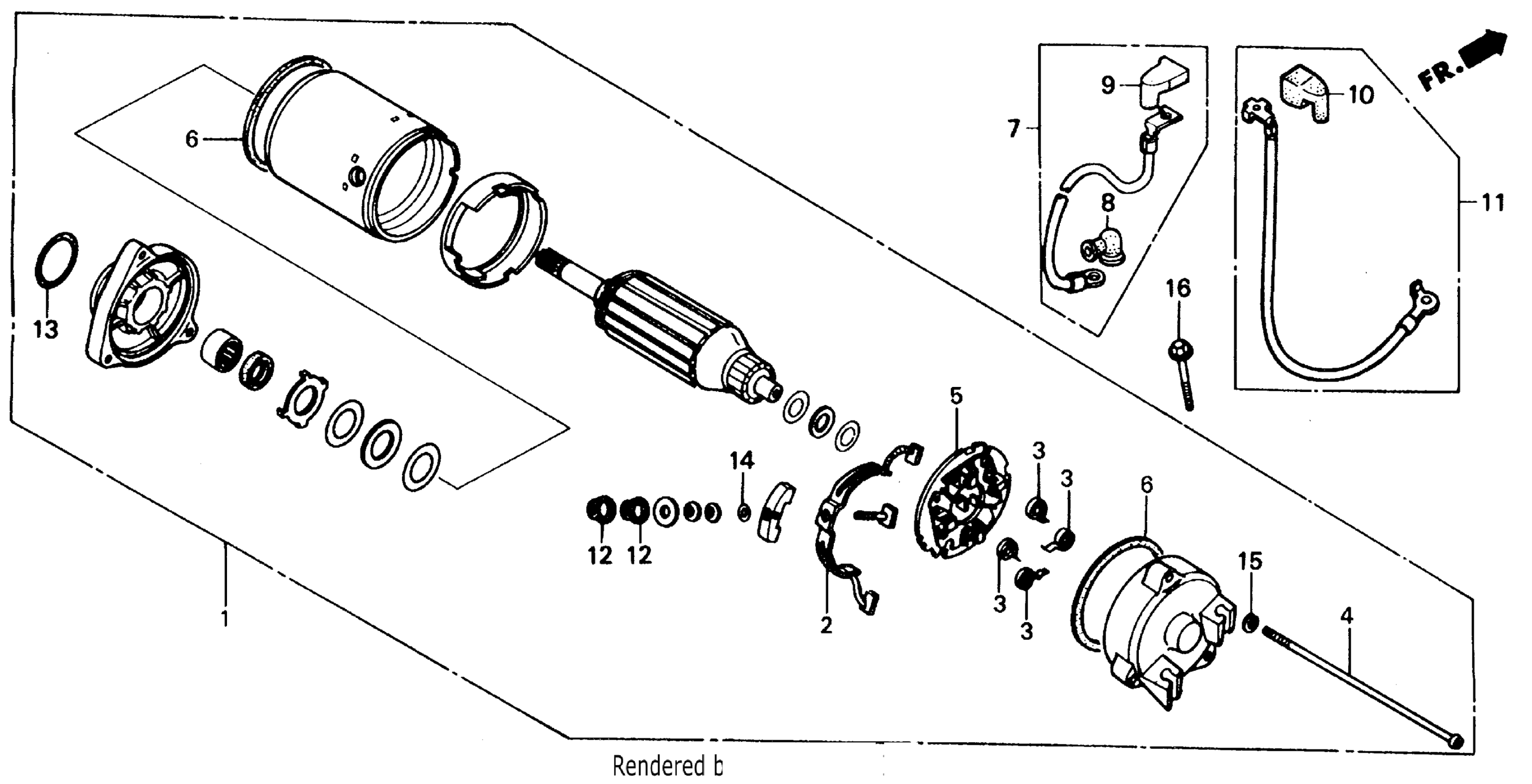
STARTING MOTOR
Honda VT700CA (87) SHADOW, JPN, VIN# JH2RC190-HM300001 TO JH2RC190-HM303205 STARTING MOTOR Diagram
#
Description
Price
1
MOTOR ASSY., STARTER This part replaces 31200-MK7-000.
31200-MK7-405
Unavailable
2
TERMINAL SET, BRUSH (USE FOR MITSUBA STARTER MOTOR SM-8) This part replaces 31201-MG8-008.
31201-KG7-000
$31.18
4
BOLT, SETTING
31205-MG7-000
Unavailable
5
HOLDER SET, BRUSH (USE FOR MITSUBA STARTER MOTOR SM-8) This part replaces 31206-MG8-008.
31206-MM5-008
$19.33
10
COVER B, BATTERY TERMINAL
32418-MK7-000
Unavailable
11
CABLE, BATTERY GROUND
32601-MK7-000
Unavailable
