- Partiron
- OEM Parts
- Honda
- MOTORCYCLE
- 1987
- VT700CA (87) SHADOW, JPN, VIN# JH2RC190-HM300001 TO JH2RC190-HM303205
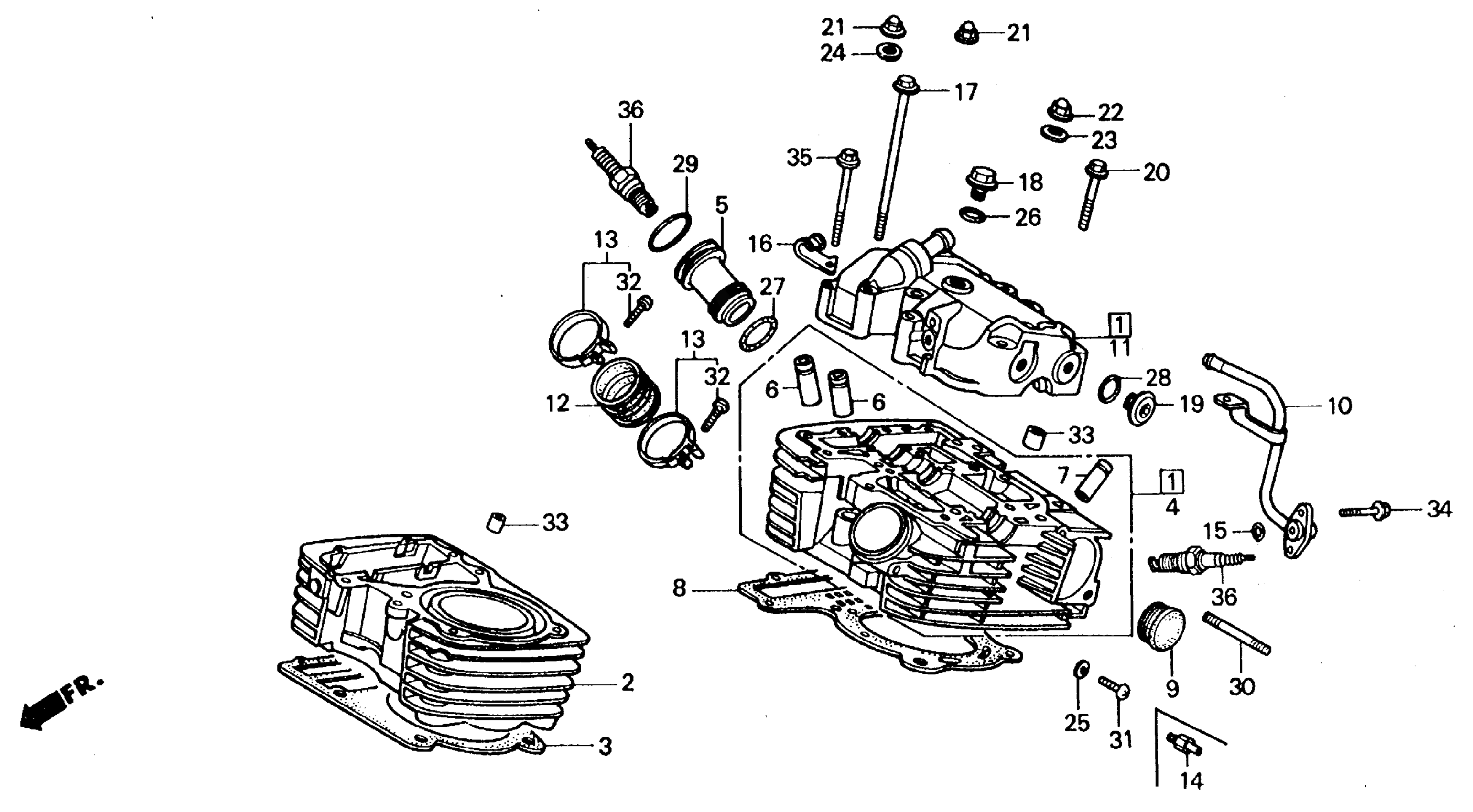
REAR CYLINDER HEAD
Honda VT700CA (87) SHADOW, JPN, VIN# JH2RC190-HM300001 TO JH2RC190-HM303205 REAR CYLINDER HEAD Diagram
#
Description
Price
2
CYLINDER, RR.
12110-MK7-670
Unavailable
3
GASKET, CYLINDER
12191-MK7-671
Unavailable
4
CYLINDER HEAD, RR.
12220-MK7-671
Unavailable
5
SLEEVE, PLUG
12225-ME9-000
Unavailable
7
GUIDE, IN VALVE This part replaces 12233-MG8-305.
12233-MG8-405
Unavailable
7
GUIDE, IN VALVE
12233-MG8-405
Unavailable
8
GASKET, CYLINDER HEAD This part replaces 12251-ML5-003.
12251-MR5-670
Unavailable
8
GASKET, CYLINDER HEAD
12251-MR5-670
Unavailable
11
COVER, RR. CYLINDER HEAD
12320-MK7-673
Unavailable
16
CLIP, IGNITION WIRE
32921-KJ2-000
Unavailable
19
BOLT, SEALING (20MM)
90048-MK7-670
Unavailable
