Yamaha VT700C (VENTURE 700) 8DM2 1999 EXHAUST Diagram
#
Description
Price
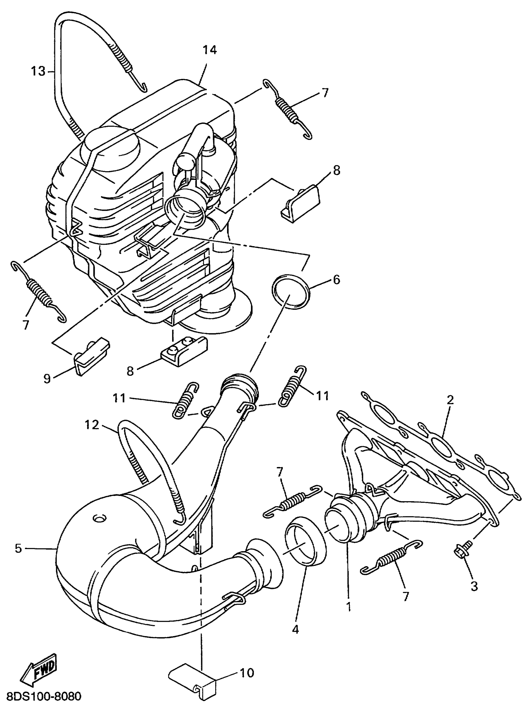
1
EXHAUST PIPE ASSY 1
8CH-14610-00-00
Unavailable
9
PROTECTOR, MUFFLER 2
8CR-14728-00-00
Unavailable
10
PROTECTER, MUFFLER 3
8CR-14738-00-00
Unavailable
12
SPRING, TENSION
90506-16497-00
Unavailable
13
SPRING, TENSION(83R)
90507-16046-00
Unavailable
14
SECOND SILENCER, MUFFLER
8CH-14640-20-00
Unavailable
