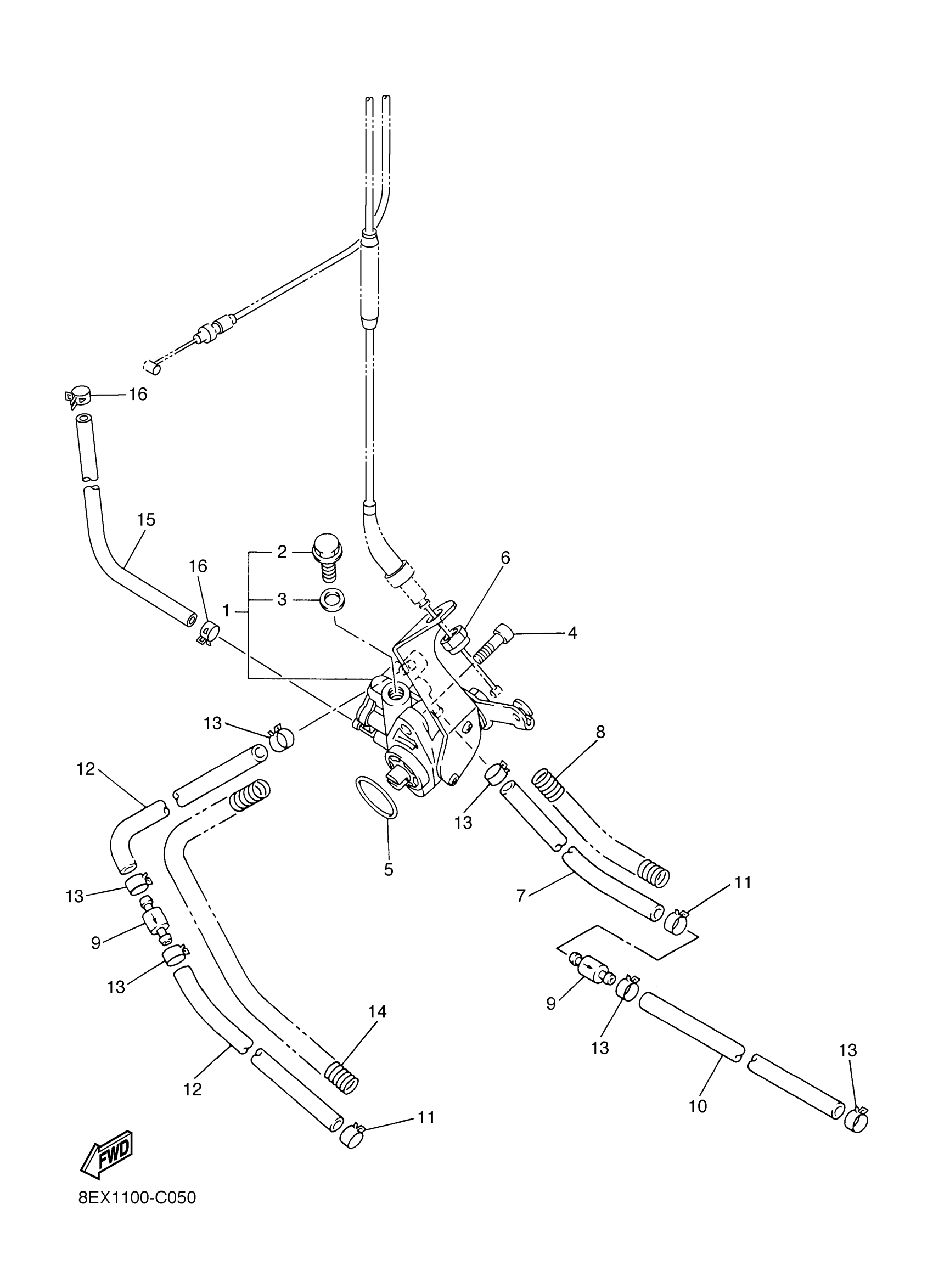
Yamaha VT60K (VENTURE 600) 8FD3 2005 OIL PUMP Diagram
#
Description
Price
1
OIL PUMP ASSY
8DG-13100-00-00
Unavailable
2
BOLT, BREATHER
89A-13185-00-00
Unavailable
3
. GASKET, BREATHER BOLT
89A-13187-00-00
Unavailable
16
CLIP (8A1)
90467-09026-00
Unavailable
