- Partiron
- OEM Parts
- Honda
- MOTORCYCLE
- 1991
- VT600CA (91) SHADOW VLX, JPN, VIN# JH2PC210-MM200004 TO JH2PC210-MM200682
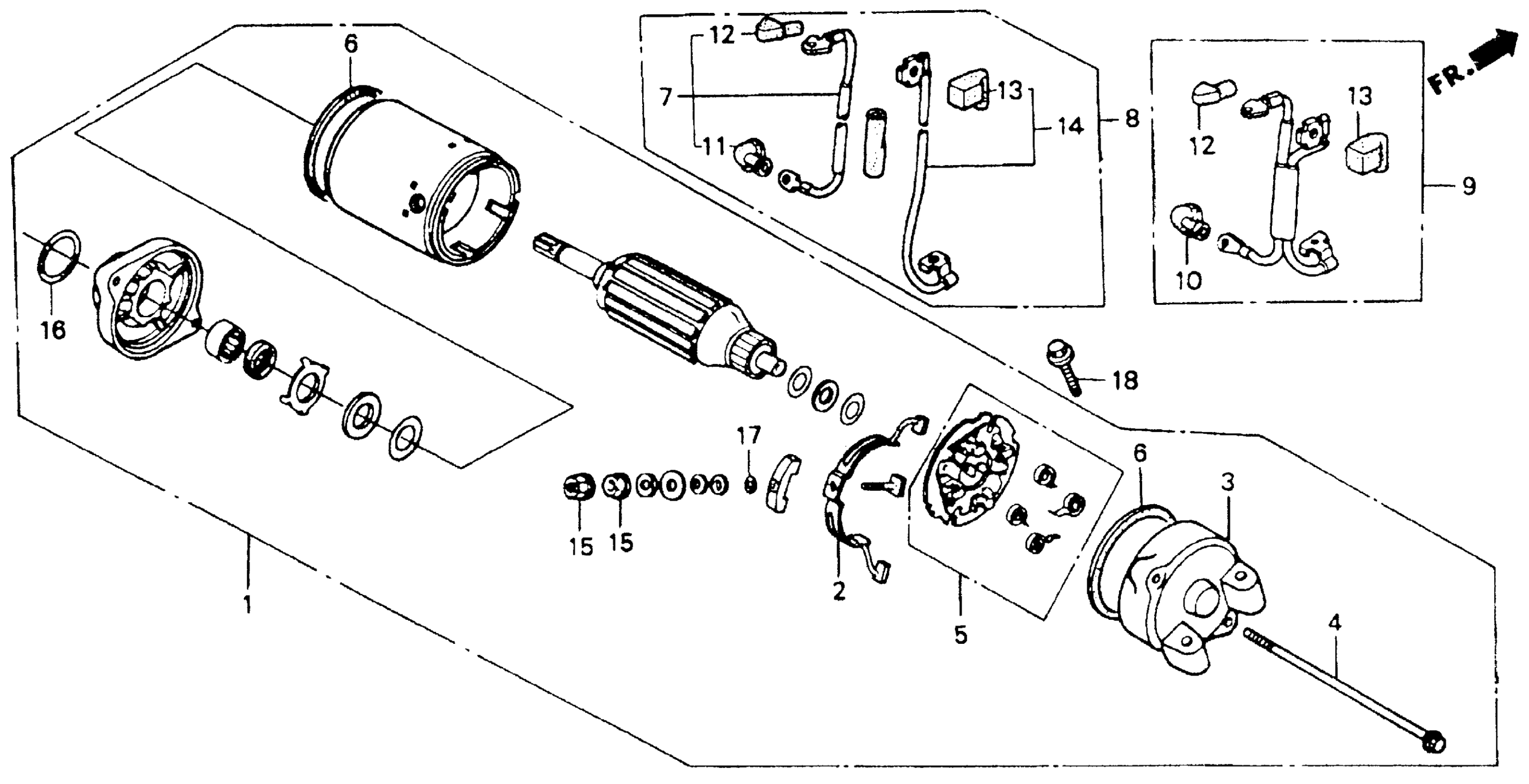
STARTER
Honda VT600CA (91) SHADOW VLX, JPN, VIN# JH2PC210-MM200004 TO JH2PC210-MM200682 STARTER Diagram
#
Description
Price
1
STARTER MOTOR ASSY. (MITSUBA)
31200-MR1-831
Unavailable
3
BRACKET, RR. (SOURCE: VINTAGE PARTS INC.)
31203-MR1-008
Unavailable
7
CABLE, STARTER MOTOR (NOT AVAILABLE)
32410-MR1-000
Unavailable
8
CABLE SET, STARTER MOTOR & BATTERY GROUND This part replaces 32410-MR1-670.
32411-MY0-770
Unavailable
8
CABLE SET, STARTER MOTOR & BATTERY GROUND
32411-MY0-770
Unavailable
14
CABLE, BATTERY GROUND (NOT AVAILABLE)
32601-MR1-000
Unavailable
