Partiron

Yamaha VT500XLC (VENTURE 500 XL) 8DX1 1999 TRACK DRIVE 1 Diagram

#

Description
Price

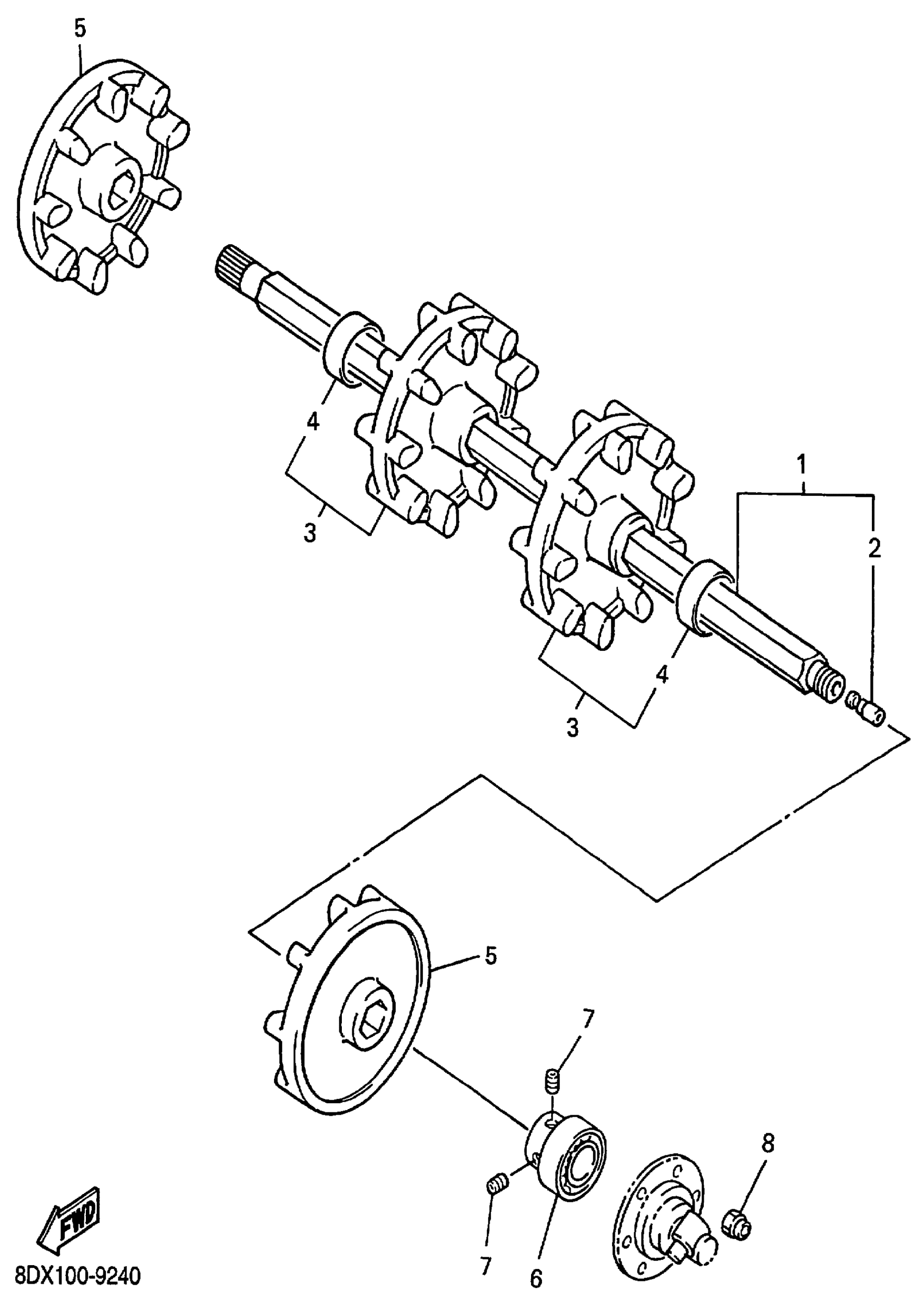
1

AXLE, FRONT

8CR-W4751-01-00

Unavailable

2

CONNECTOR

8K4-47577-00-00

$20.99

3

WHEEL, SPROCKET 1

8BF-W4753-00-00

Unavailable

4

COLLAR(83R)

90387-514Y2-00

$20.99

5

WHEEL, SPROCKET 2

8DP-47532-00-00

Unavailable

6

BEARING(8CJ)

93306-20589-00

$59.99

7

BOLT, SET

90113-06006-00

$4.29

8

NUT, NYLON

95717-08300-00

$2.70