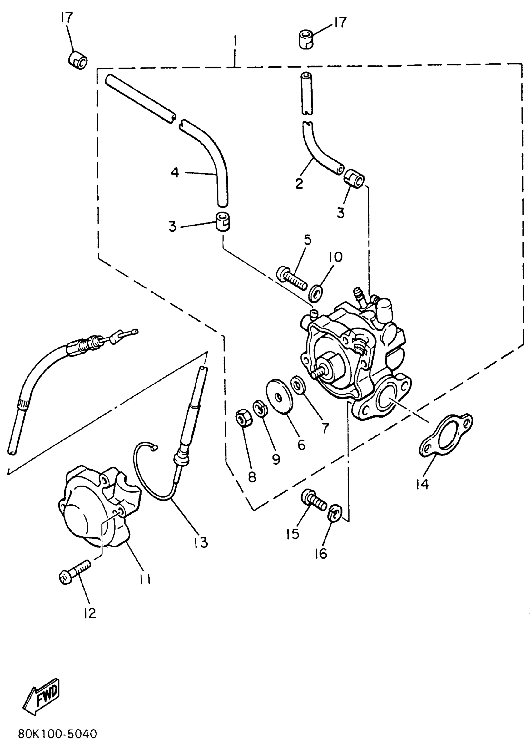
Yamaha VT480TRW (VENTURE TR) 8CK1 1996 OIL PUMP Diagram
#
Description
Price
1
OIL PUMP ASSEMBLY (8V0-13101-00)
8V0-13101-01-00
Unavailable
5
SCREW, BINDING
98907-04020-00
Unavailable
6
PLATE, ADJUSTING
137-13138-01-00
Unavailable
13
PUMP CABLE ASY
8V0-26320-02-00
Unavailable
14
GASKET, PUMP CASE
126-13116-01-00
Unavailable
15
SCREW, PAN HEAD(JJ6)
98507-05016-00
Unavailable
16
WASHER(3SX)
92907-05100-00
Unavailable
