Partiron

Yamaha VT480S (VENTURE XL) 89M1 1992 TRACK DRIVE 1 Diagram

#

Description
Price

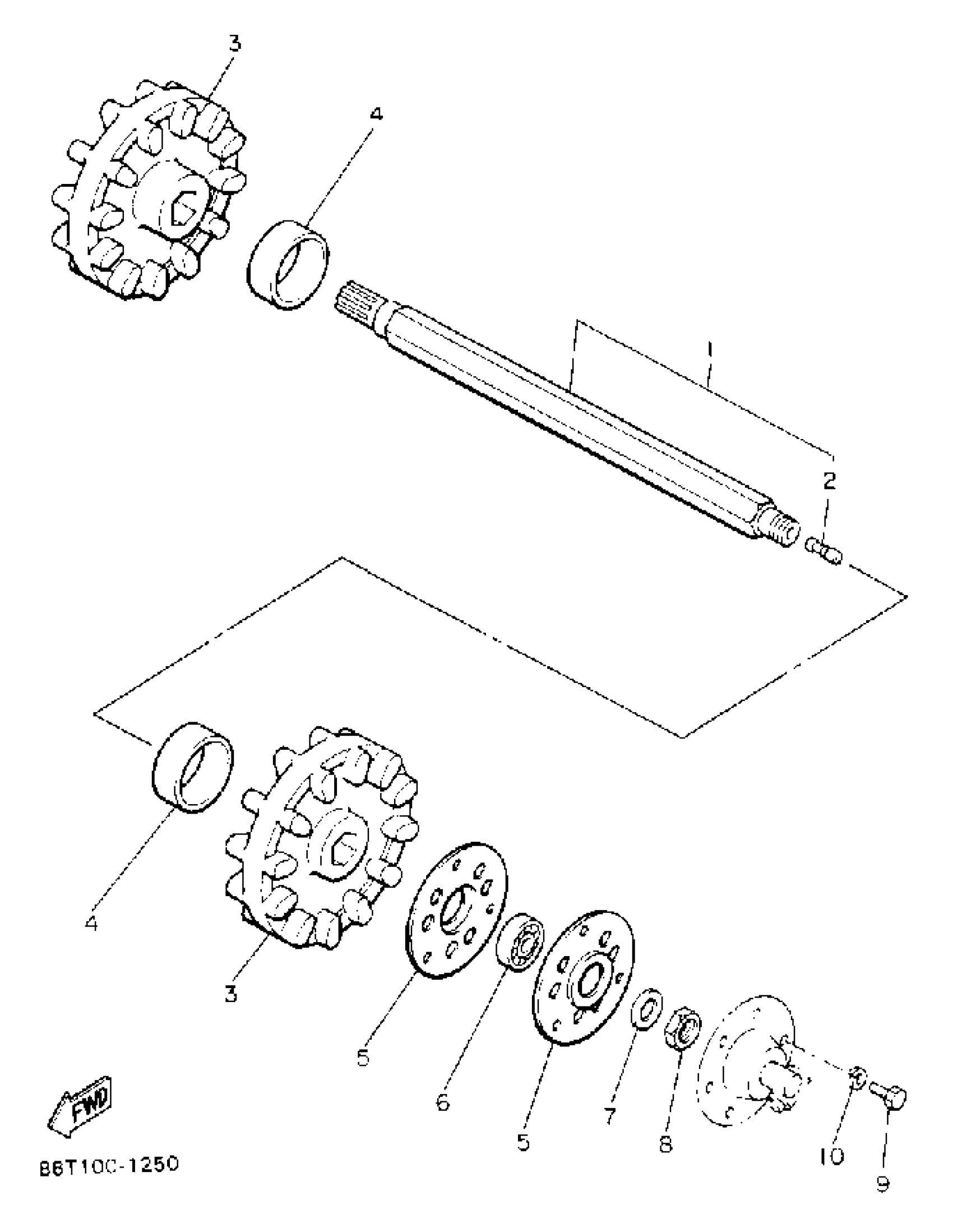
1

AXLE, FRONT

88T-W4751-00-00

Unavailable

2

CONNECTOR

8K4-47577-00-00

$20.99

3

WHEEL,SPROCKET 1

88T-W4753-01-00

Unavailable

4

COLLAR(83R)

90387-514Y2-00

$20.99

5

HOUSING, FRONT AXLE

8K4-47551-00-00

$31.99

6

BEARING 60/22

93306-00420-00

$40.99

7

WASHER 810475810000

90208-22001-00

$8.49

8

NUT (821-47579-00)

90170-22094-00

$5.60

9

BOLT, HEXAGON

97017-08016-00

$8.49

10

YBS67-8 WASHER, SPRING

92990-08100-00

$5.60