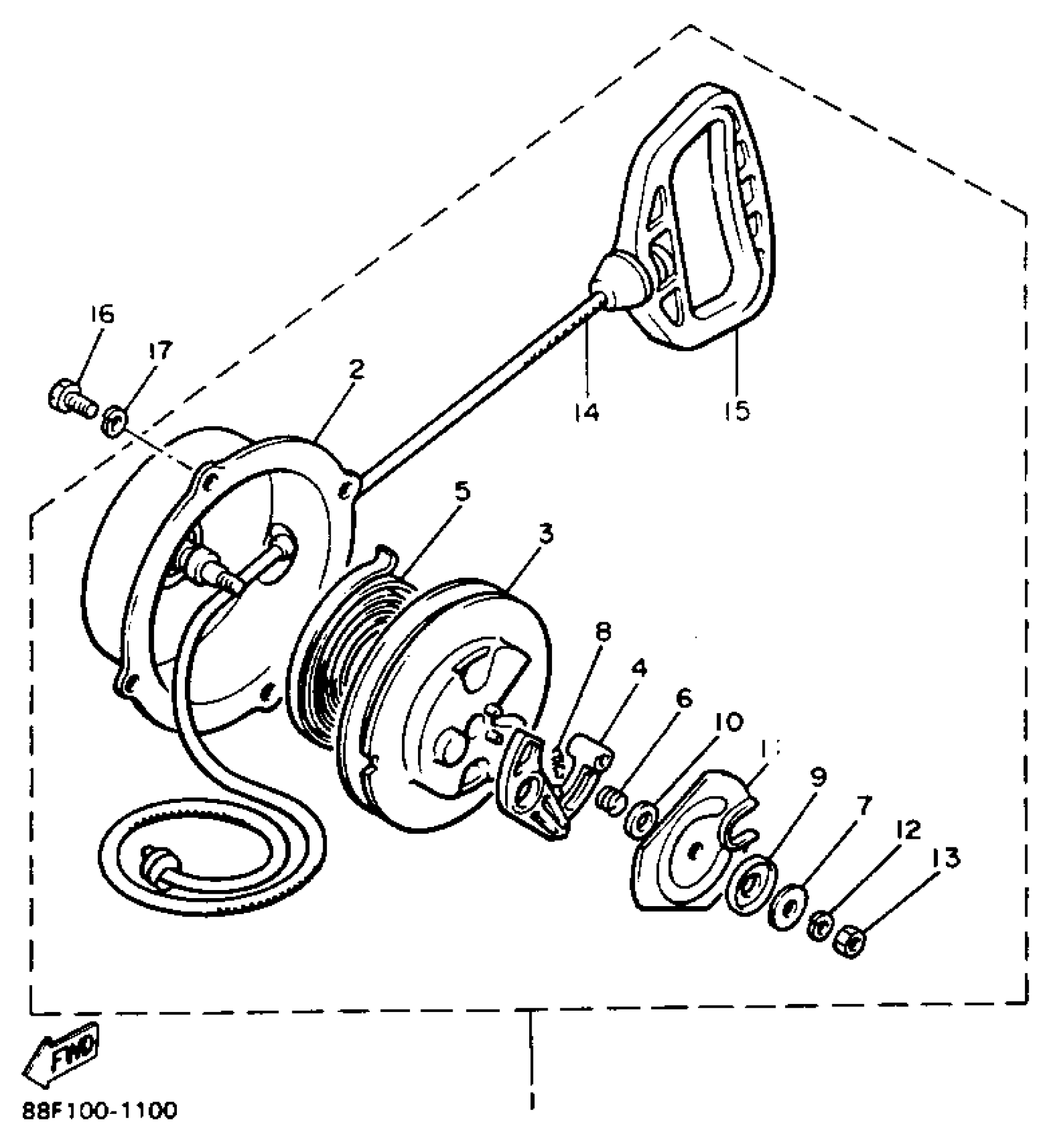
Yamaha VT480GTT (VENTURE GT) 8AP1 1993 STARTER Diagram
#
Description
Price
1
STARTER ASSY
8V0-15710-00-00
Unavailable
2
. CASE, STARTER
8V0-15711-00-00
Unavailable
10
. PLATE, DRIVE
82M-15716-00-00
Unavailable
12
WASHER, SPRING
92995-06100-00
Unavailable
16
BOLT, HEXAGON DEEP RECESS
97D95-06014-00
Unavailable
17
WASHER, SPRING
92995-06100-00
Unavailable
