- Partiron
- OEM Parts
- Yamaha
- snowmobile
- 1997
- VT480A (VENTURE XL) 8BK4 1997
TRACK SUSPENSION 1
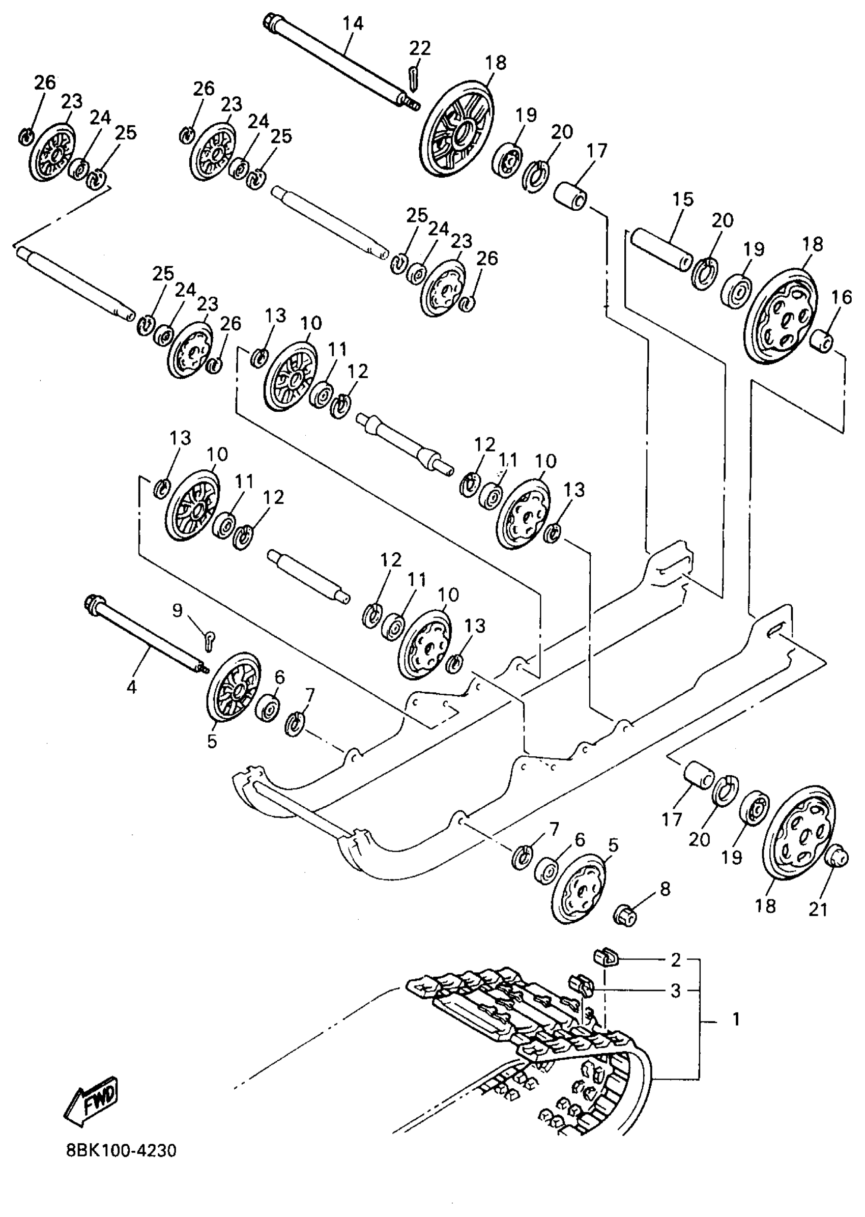
Yamaha VT480A (VENTURE XL) 8BK4 1997 TRACK SUSPENSION 1 Diagram
#
Description
Price
1
TRACK ASSEMBLY
82M-47110-00-00
Unavailable
3
METAL, SLIDE
8A5-47115-00-00
Unavailable
4
SHAFT 5
82M-47487-00-00
Unavailable
15
COLLAR
90387-20023-00
Unavailable
16
COLLAR
90387-204R3-00
Unavailable
17
COLLAR
90387-20022-00
Unavailable
18
GUIDE WHEEL COMP.
8K2-47530-00-00
Unavailable
19
BEARING(8AE)
93306-20469-00
Unavailable
20
CIRCLIP(48Y)
99009-47500-00
Unavailable
23
SUSPENSION WHEEL COMP.
8H8-47320-00-00
Unavailable
