- Partiron
- OEM Parts
- Honda
- MOTORCYCLE
- 2001
- VT1100TAC (01) SHADOW 1100
AMERICAN CLASSIC EDITION TOURER, USA, VIN# 1HFSC371-1A300001 CARBURETOR ASSY.
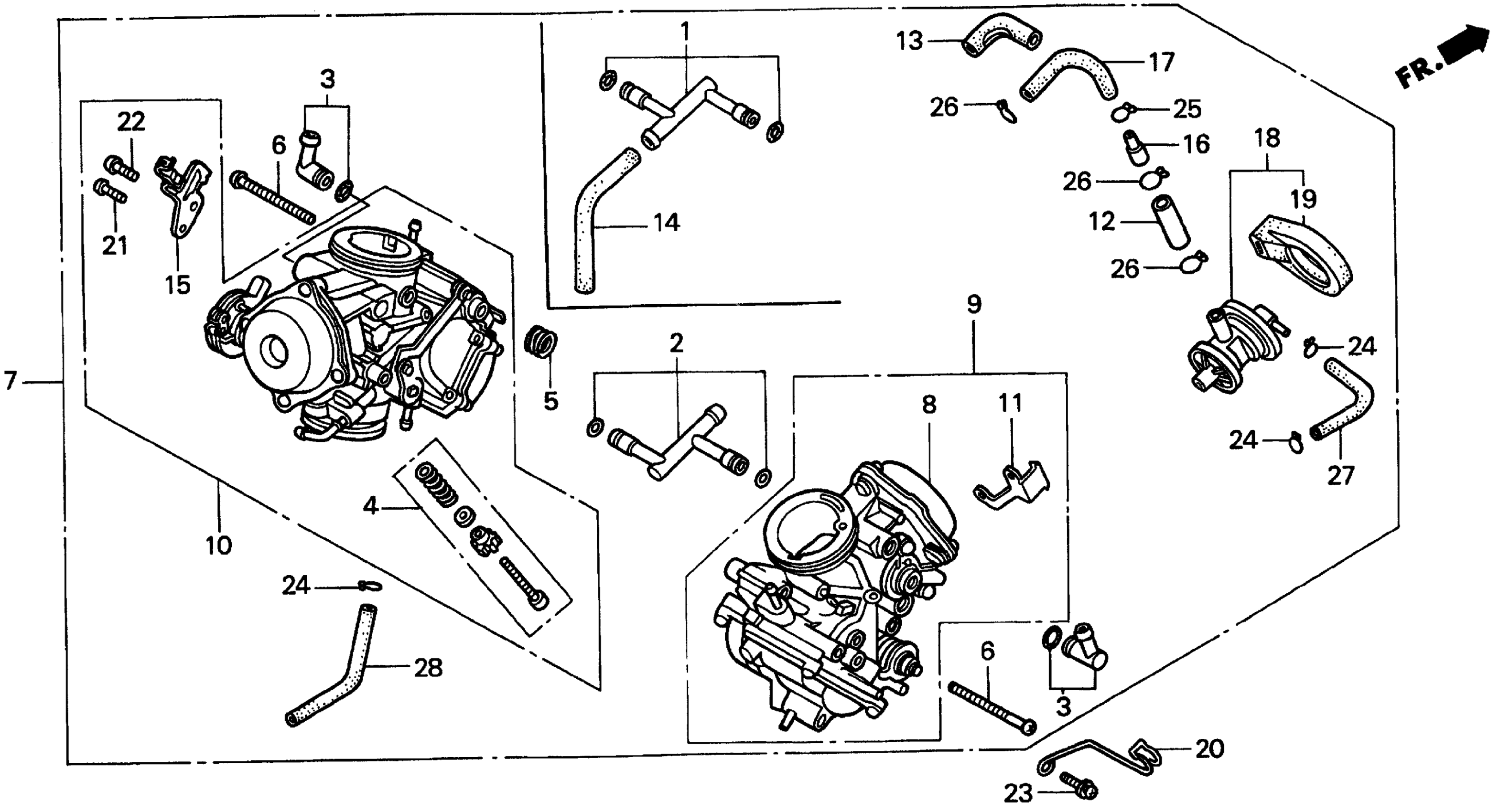
Honda VT1100TAC (01) SHADOW 1100AMERICAN CLASSIC EDITION TOURER, USA, VIN# 1HFSC371-1A300001 CARBURETOR ASSY. Diagram
#
Description
Price
2
JOINT SET
16026-MAH-790
Unavailable
5
SPRING This part replaces 16053-MG7-601.
16053-ME9-672
Unavailable
6
SCREW, PAN
16082-ME9-671
Unavailable
7
CARBURETOR ASSY. (VDKGA A) (NOT AVAILABLE)
16100-MBC-770
Unavailable
9
CARBURETOR ASSY., FR. (NOT AVAILABLE)
16101-MBC-770
Unavailable
10
CARBURETOR ASSY., RR. (NOT AVAILABLE)
16102-MBC-770
Unavailable
12
TUBE
16143-MG8-791
Unavailable
13
PIPE, VINYL
16144-MAH-790
Unavailable
15
STAY, WIRE
16169-MM9-621
Unavailable
16
JOINT
16180-MG8-791
Unavailable
17
TUBE
16199-MAH-790
Unavailable
18
VALVE ASSY., EVAP EMISSION CARB AIR VENT CONTROL
17300-MAH-791
Unavailable
20
CLAMP, IGNITION WIRE
30701-MAH-000
Unavailable
