- Partiron
- OEM Parts
- Honda
- MOTORCYCLE
- 1988
- VT1100CA (88) SHADOW 1100, USA, VIN# 1HFSC180-JA300101 TO 1HFSC180-JA304552
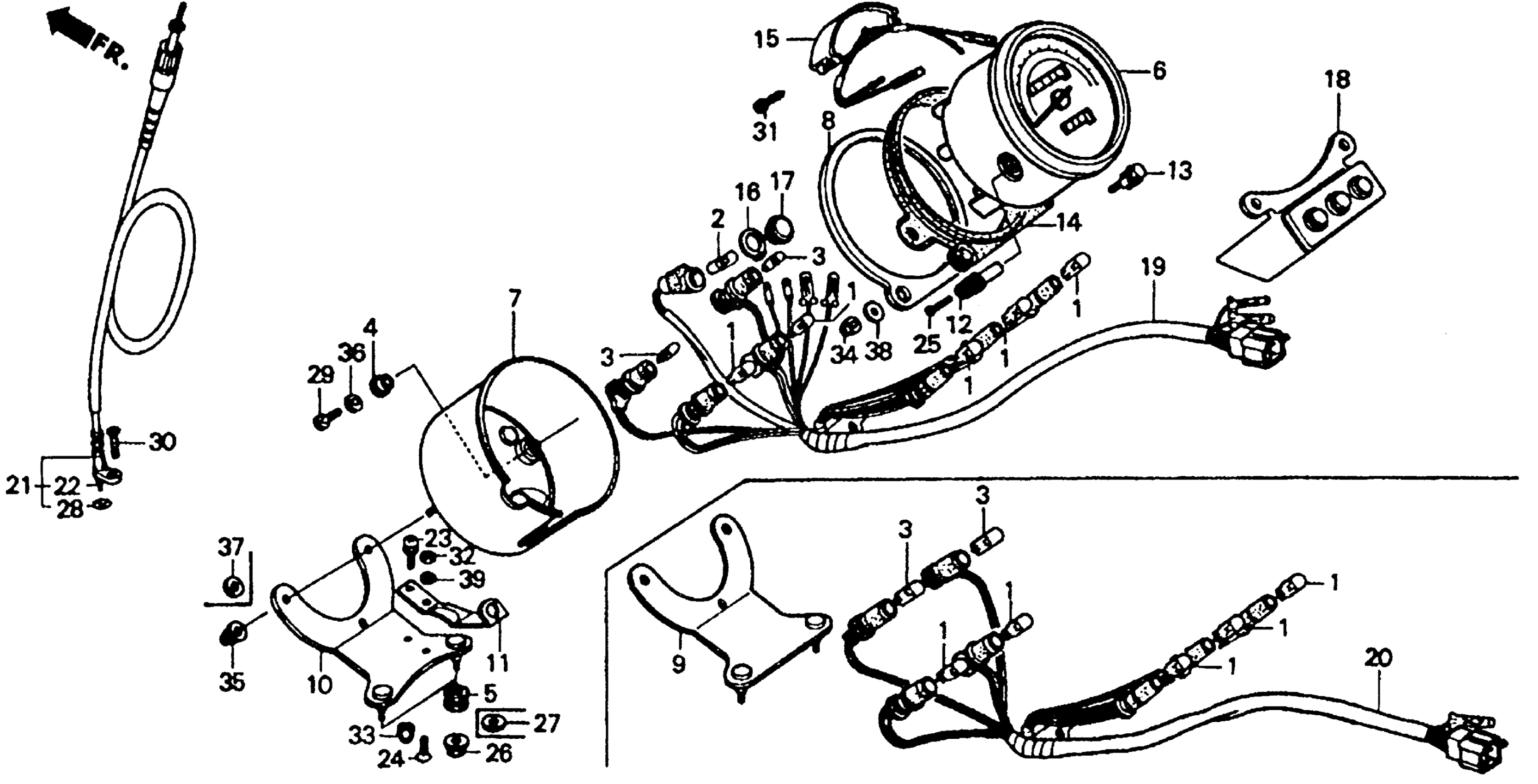
SPEEDOMETER
Honda VT1100CA (88) SHADOW 1100, USA, VIN# 1HFSC180-JA300101 TO 1HFSC180-JA304552 SPEEDOMETER Diagram
#
Description
Price
6
SPEEDOMETER ASSY.
37200-MAA-670
Unavailable
6
SPEEDOMETER ASSY. This part replaces 37200-MM8-671.
37200-MAA-670
Unavailable
7
COVER, METER
37204-MM8-008
Unavailable
8
PLATE, SETTING
37211-MM8-008
Unavailable
9
BRACKET This part replaces 37212-MM8-008.
37212-MM8-611
Unavailable
9
BRACKET
37212-MM8-611
Unavailable
14
RUBBER, CUSHION
37242-MM8-008
Unavailable
15
TEMPERATURE UNIT
37410-MM8-008
Unavailable
18
BOX ASSY., PILOT
37600-MM8-651
Unavailable
18
BOX ASSY., PILOT This part replaces 37600-MM8-671.
37600-MM8-651
Unavailable
20
SOCKET (NOT AVAILABLE)
37619-MM8-671
Unavailable
22
CABLE (INNER)
44831-KM1-000
Unavailable
22
CABLE (INNER) This part replaces 44831-MB1-300.
44831-KM1-000
Unavailable
22
CABLE (INNER) This part replaces 44831-ME1-670.
44831-KM1-000
Unavailable
26
NUT, HEX. (6MM)
90304-896-650
Unavailable
