- Partiron
- OEM Parts
- Honda
- MOTORCYCLE
- 1985
- VT1100CA (85) SHADOW 1100, USA, VIN# 1HFSC180-FA002276 TO 1HFSC180-FA006775
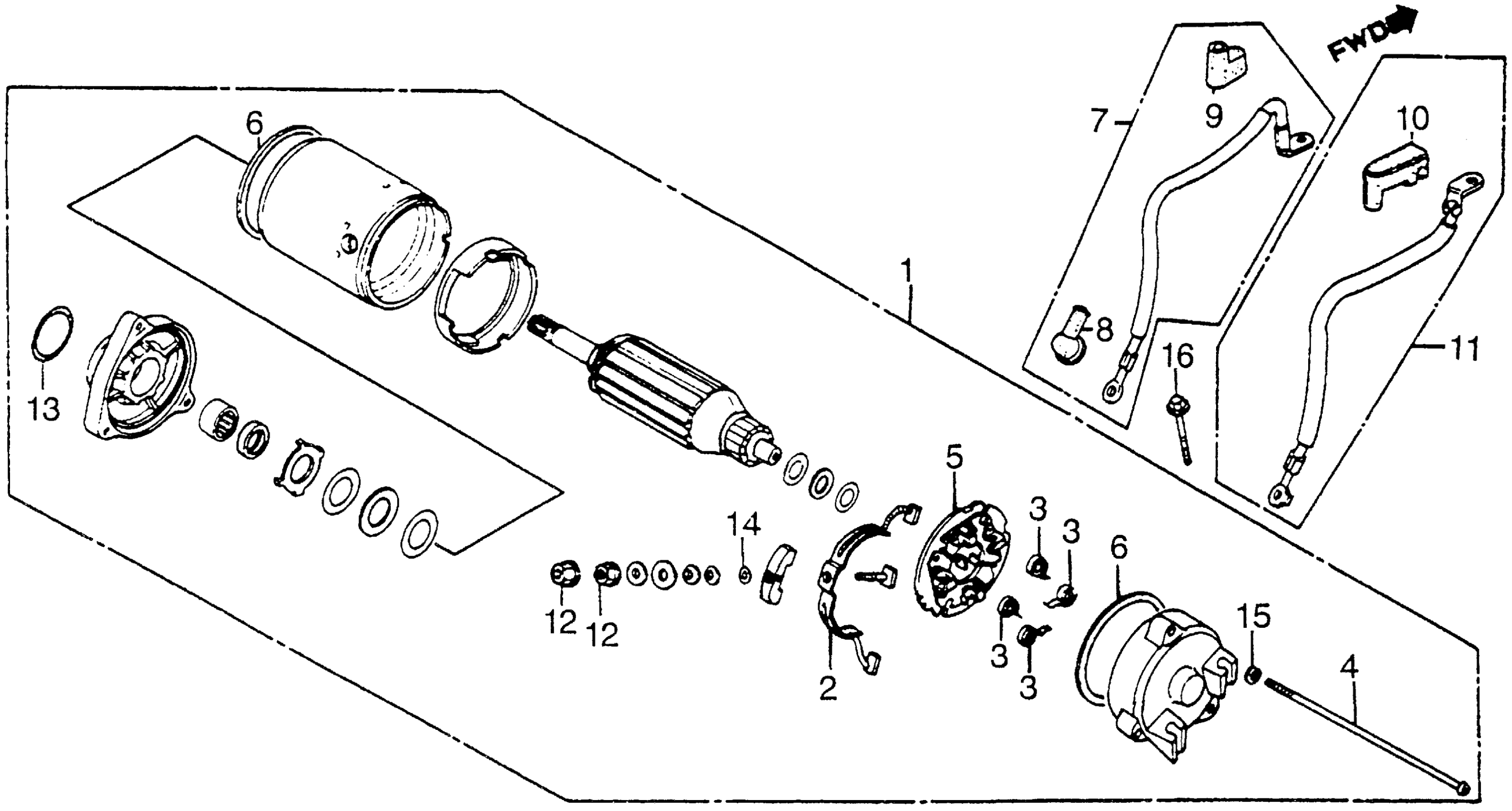
STARTER MOTOR
Honda VT1100CA (85) SHADOW 1100, USA, VIN# 1HFSC180-FA002276 TO 1HFSC180-FA006775 STARTER MOTOR Diagram
#
Description
Price
1
MOTOR ASSY., STARTER This part replaces 31200-MG8-008.
31200-MAA-008
Unavailable
1
STARTER MOTOR ASSY.
31200-MAA-008
Unavailable
1
MOTOR ASSY., STARTER This part replaces 31200-MG8-018.
31200-MAA-008
Unavailable
1
MOTOR ASSY., STARTER This part replaces 31200-MM8-008.
31200-MAA-008
Unavailable
2
TERMINAL SET, BRUSH (USE FOR MITSUBA STARTER MOTOR SM-8) This part replaces 31201-MG8-008.
31201-KG7-000
$31.18
4
BOLT, SETTING This part replaces 31205-ME9-780.
31205-MG7-000
Unavailable
5
HOLDER SET, BRUSH (USE FOR MITSUBA STARTER MOTOR SM-8) This part replaces 31206-MG8-008.
31206-MM5-008
$19.33
7
CABLE, STARTER MOTOR (NOT AVAILABLE)
32410-MG8-000
Unavailable
9
COVER B, MAGNETIC SWITCH
32416-460-000
Unavailable
10
COVER, BATTERY GROUND (NOT AVAILABLE)
32417-MG8-000
Unavailable
11
CABLE, BATTERY GROUND (NOT AVAILABLE)
32601-MG8-000
Unavailable
