Partiron

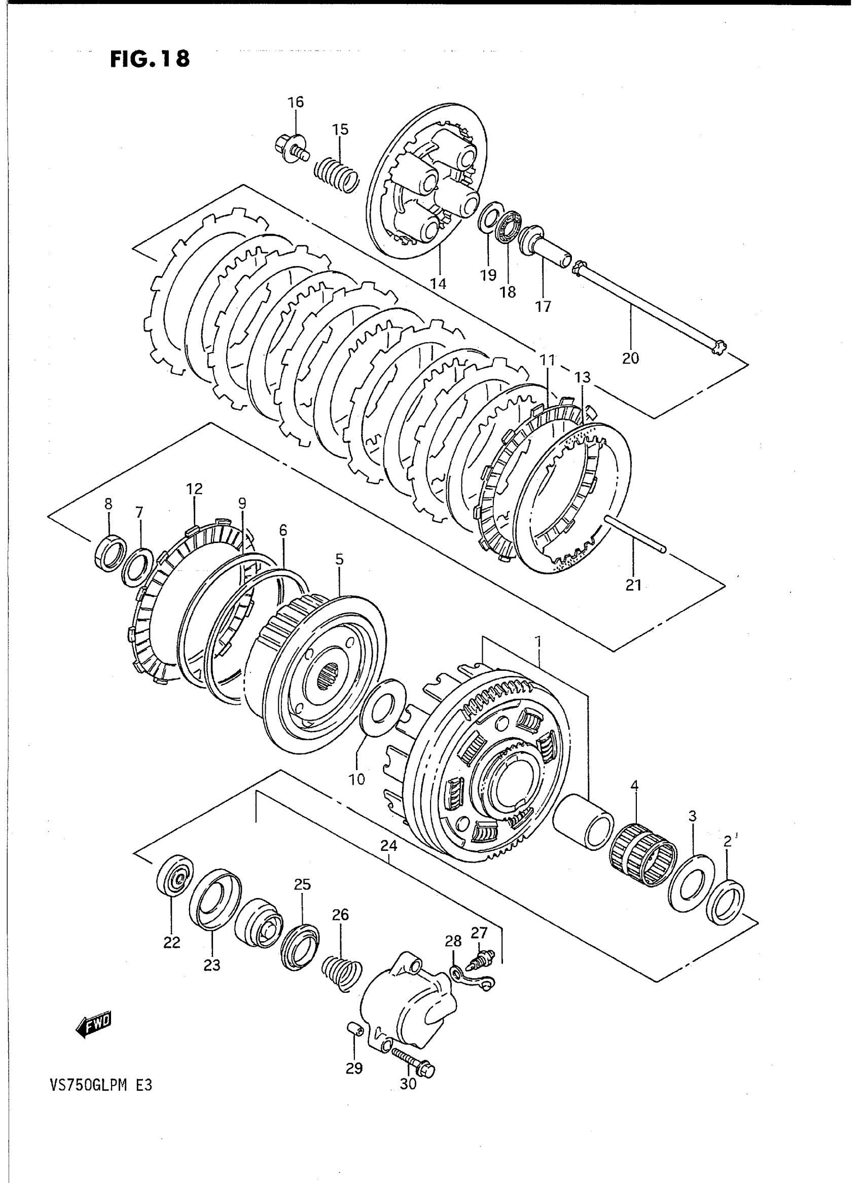
Suzuki VS750GLPM (1991) CLUTCH Diagram

#

Description
Price

1

GEAR, PRIMARY DRIVEN (NT:71)

21200-38812

Unavailable

2

SPACER, INNER

09180-25077

$13.53

3

WASHER (25X50X2.5)

09160-25055

$8.62

4

BEARING (35X40X35.8)

09263-35017

$40.54

5

HUB, SLEEVE This part replaces 21410-38A00.

21410-41F00

$143.92

6

SEAT, WAVE WASHER

21471-37400

$9.78

7

WASHER (22.2X35X2) This part replaces 09164-22006.

09164-22007

$7.35

8

NUT

09140-22008

$7.35

9

WASHER

09164-00004

$11.35

10

WASHER

09160-25055

$8.62

11

PLATE, DRIVE NO.1

21441-37400

$18.13

12

PLATE, CLUTCH DRIVE NO.2

21442-37401

$18.67

13

PLATE, DRIVEN

21451-14A00

$9.52

14

DISK, CLUTCH PRESSURE This part replaces 21462-38200.

21462-27A00

$57.67

15

SPRING

09440-20013

$3.57

16

BOLT (6X16) This part replaces 09116-06016.

09116-06168

$2.50

17

PIECE, PUSH This part replaces 23121-07A00.

23121-31E00

$23.92

18

BEARING (15X28X2)

09263-15003

$8.29

19

WASHER, CLUTCH PUSH This part replaces 09160-15015.

09160-15045

$3.89

20

ROD, PUSH RH

23110-27A00

$21.09

21

ROD, PUSH LH

23111-38A00

$9.72

22

OIL SEAL

09285-06017

$11.61

23

RETAINER

23117-38A00

$5.05

24

CYLINDER COMP,C | Includes Item(s) 25 - 28 This part replaces 23160-38A00.

23160-38A01

$98.74

25

CUP

23163-05A00

$7.54

26

SPRING

23164-05A00

$4.34

27

BLEEDER

59121-01A00

$8.73

28

CAP

59122-01A00

$4.34

29

PIN

04211-09129

$1.65

30

BOLT This part replaces 01517-06306.

01550-0630A

$2.32