- Partiron
- OEM Parts
- Suzuki
- Motorcycle
- 1995
- VS1400GLPS (1995)
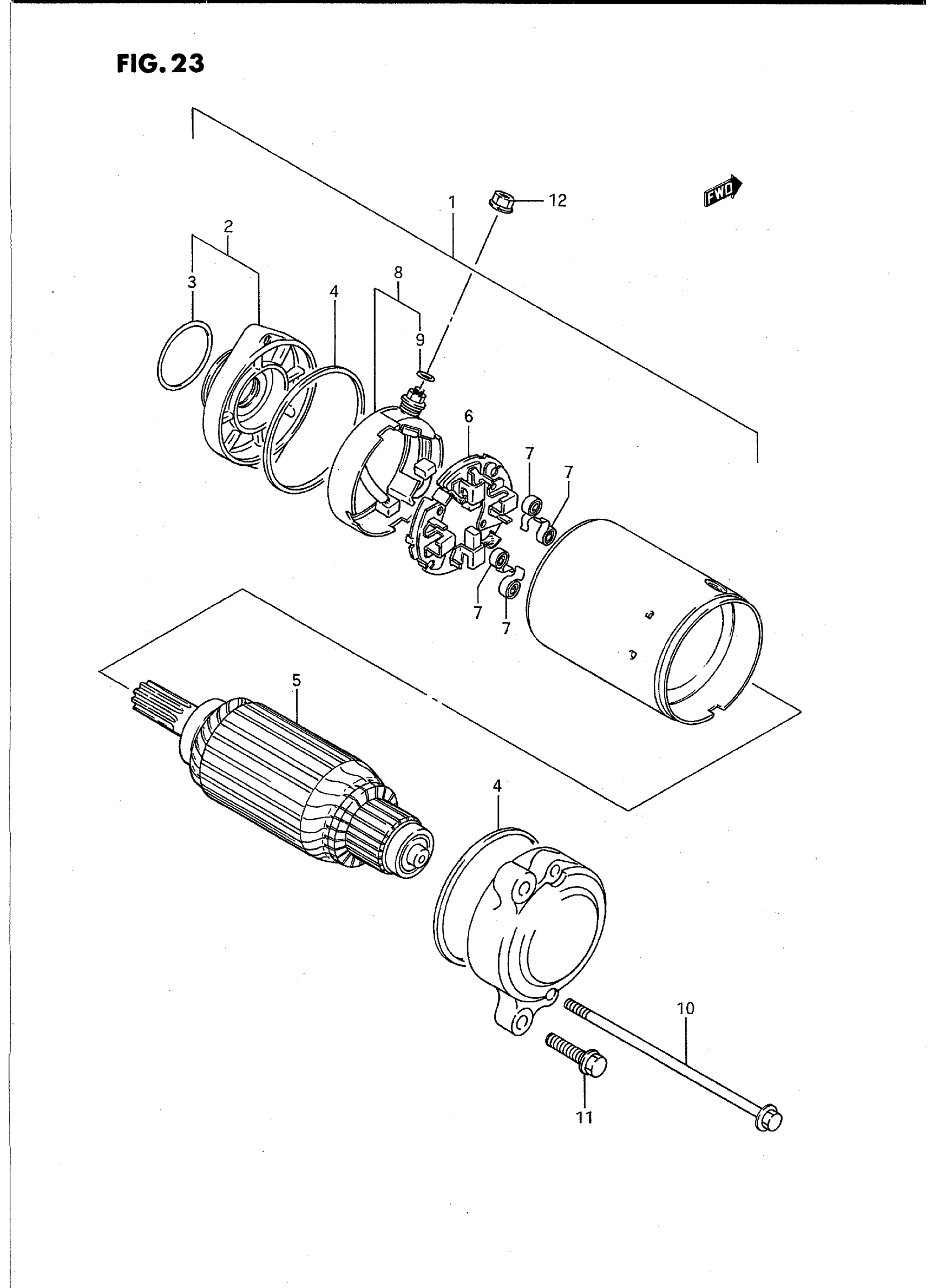
STARTING MOTOR
Suzuki VS1400GLPS (1995) STARTING MOTOR Diagram
#
Description
Price
1
MOTOR ASSY, STARTING | MODEL M/N/P/R/S; Includes Item(s) 2 - 10 This part replaces 31100-38B01.
31100-38B02
$649.60
2
BRACKET SET, FRONT
31150-38B00
Unavailable
5
ARMATURE | MODEL H/J/L This part replaces 31310-38B00.
31310-38B01
Unavailable
5
ARMATURE | MODEL M/N/P/R/S
31310-38B01
Unavailable
