- Partiron
- OEM Parts
- Suzuki
- Motorcycle
- 2009
- VS1400 (2009)
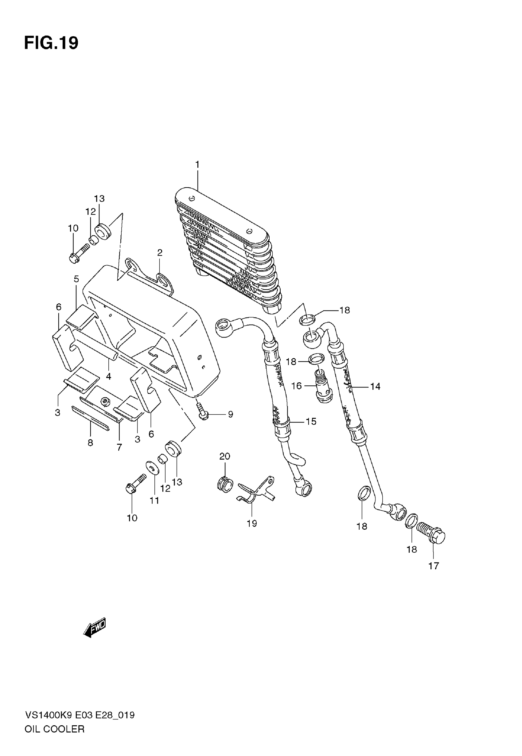
OIL COOLER
Suzuki VS1400 (2009) OIL COOLER Diagram
#
Description
Price
2
COVER, OIL COOLER
16620-38B01
Unavailable
3
CUSHION, LOWER
16626-38B01
Unavailable
4
CUSHION, UPPER
16627-38B01
Unavailable
5
CUSHION, UPPER
16628-38B00
Unavailable
6
CUSHION, SIDE
16629-38B01
Unavailable
7
BRACKET
16630-38B00
Unavailable
8
CUSHION
16639-38B00
Unavailable
14
HOSE, OIL COOLER LH
16460-38B01
Unavailable
16
UNION BOLT (12X28.5)
09360-12014
Unavailable
19
CLAMP, OIL COOLER HOSE RH
16479-38B00
Unavailable
