- Partiron
- OEM Parts
- Kawasaki
- motorcycle
- 1986
- Voyager XII
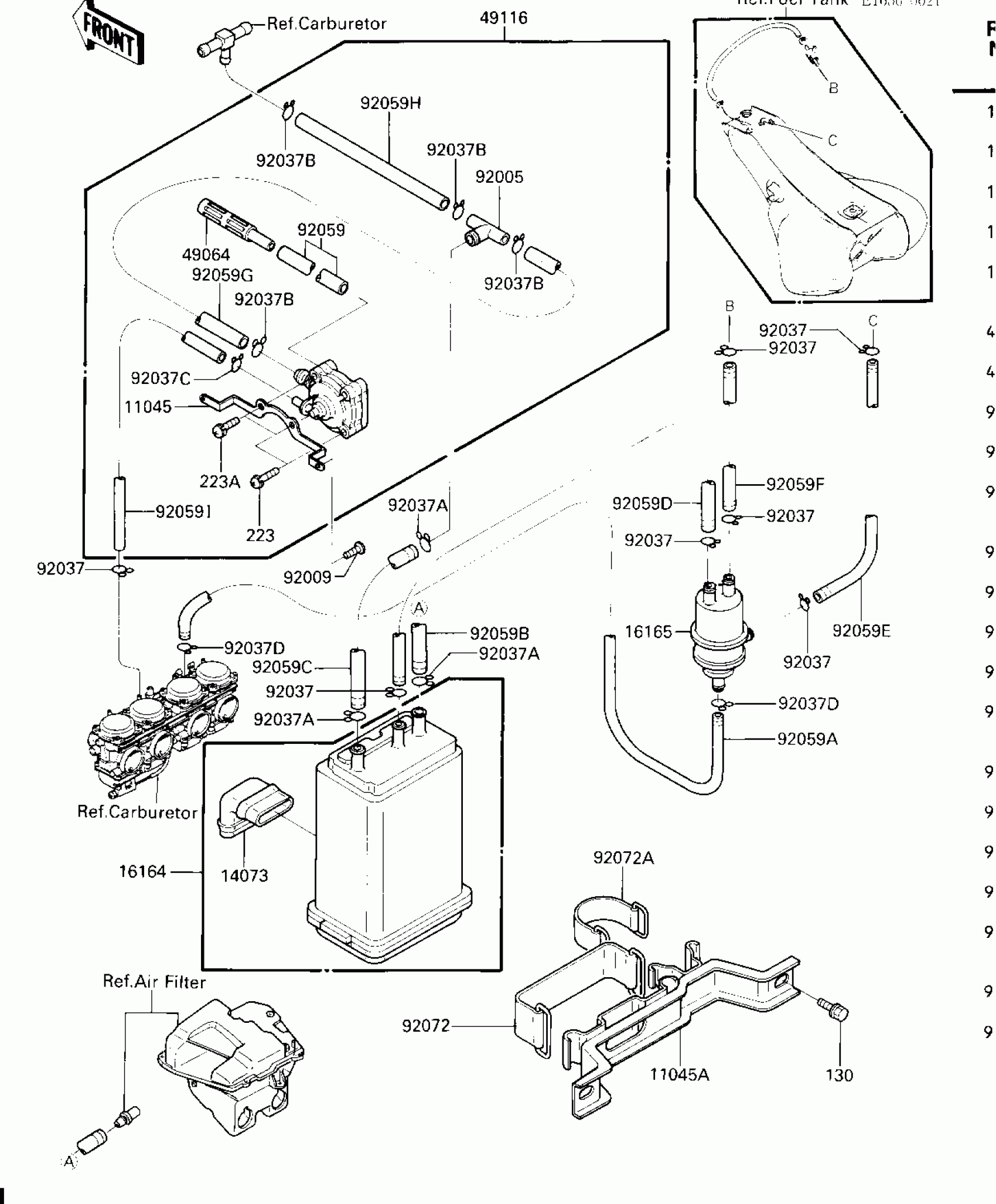
CANISTER
Kawasaki Voyager XII CANISTER Diagram
#
Description
Price
16164
CANISTER
16164-1066
Unavailable
130
BOLT-FLANGED,6X10
130B0610
Unavailable
223A
SCREW-PAN-WS-CROS
223C0418
Unavailable
