Kawasaki Voyager XII AUDIO Diagram
#
Description
Price
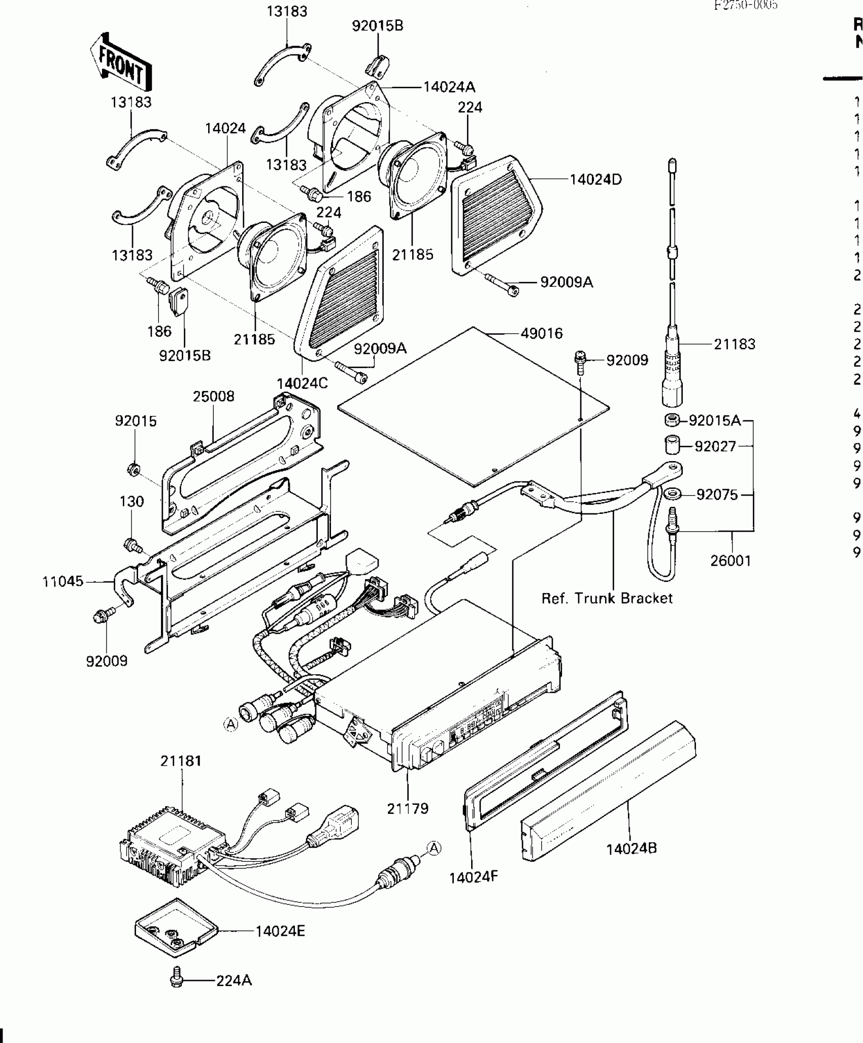
14024B
COVER,TUNER
14024-1203
Unavailable
14024C
COVER,SPEAKER
14024-1211
Unavailable
14024D
COVER,SPEAKER
14024-1212
Unavailable
14024F
COVER
14024-1326
Unavailable
21183
ANTENNA,ROD
21183-1054
Unavailable
21185
SPEAKER,FR
21185-1056
Unavailable
26001
HARNESS,ANTENNA
26001-1794
Unavailable
92015
NUT,FLANGED,6MM
92015-1078
Unavailable
130
BOLT-FLANGED,5X12
130B0512
Unavailable
186
BOLT-UPSET-WP
186D0612
Unavailable
