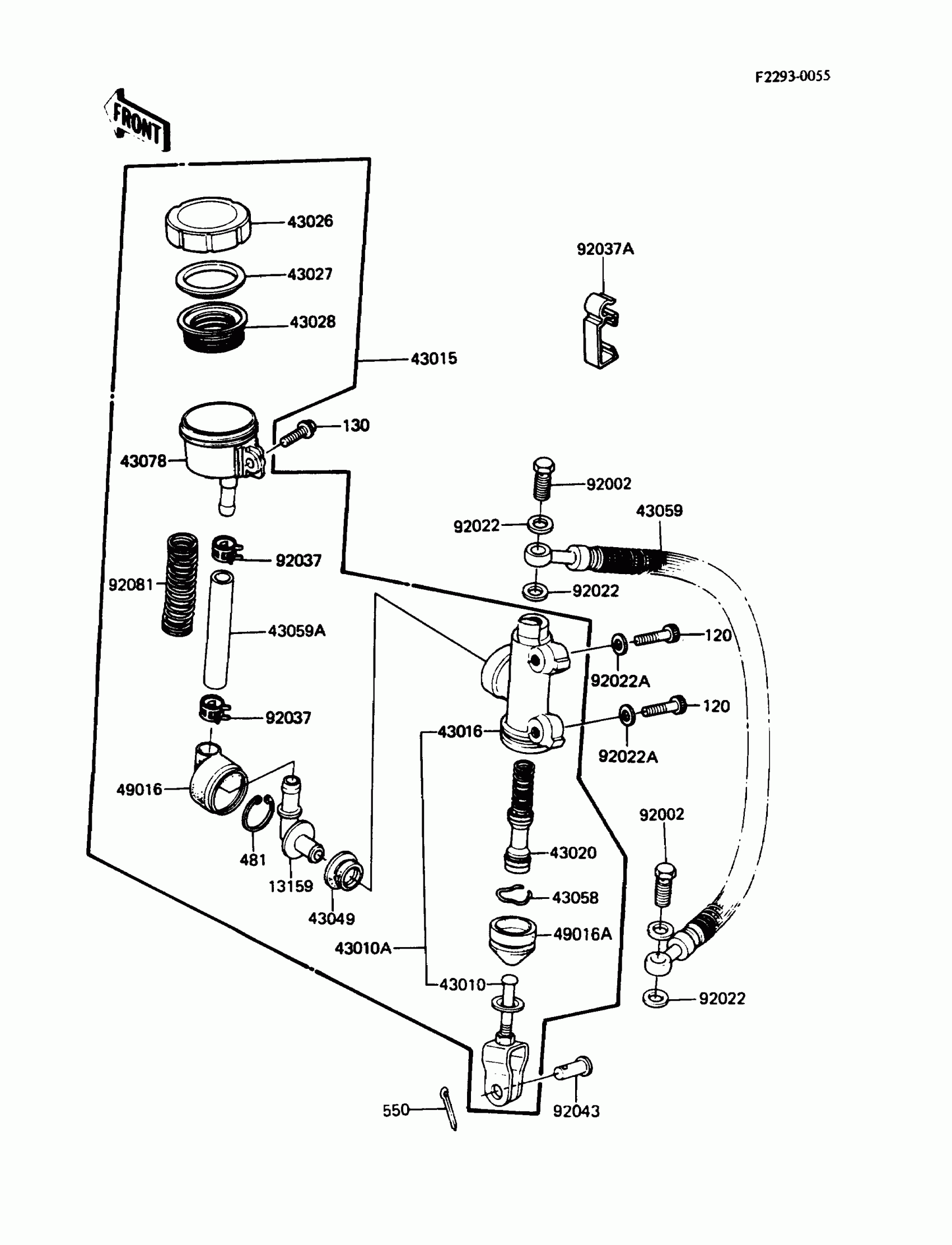
Kawasaki Voyager REAR MASTER CYLINDER Diagram
#
Description
Price
13159
CONNECTOR
13159-1009
Unavailable
43010A
ROD-ASSY-BRAKE,RR/MASTER CYL
43010-5006
Unavailable
43020
PISTON-COMP-BRAKE
43020-1035
Unavailable
43078
RESERVOIR
43078-1008
Unavailable
49016A
COVER-SEAL,BRAKE PISTON
49016-1048
Unavailable
