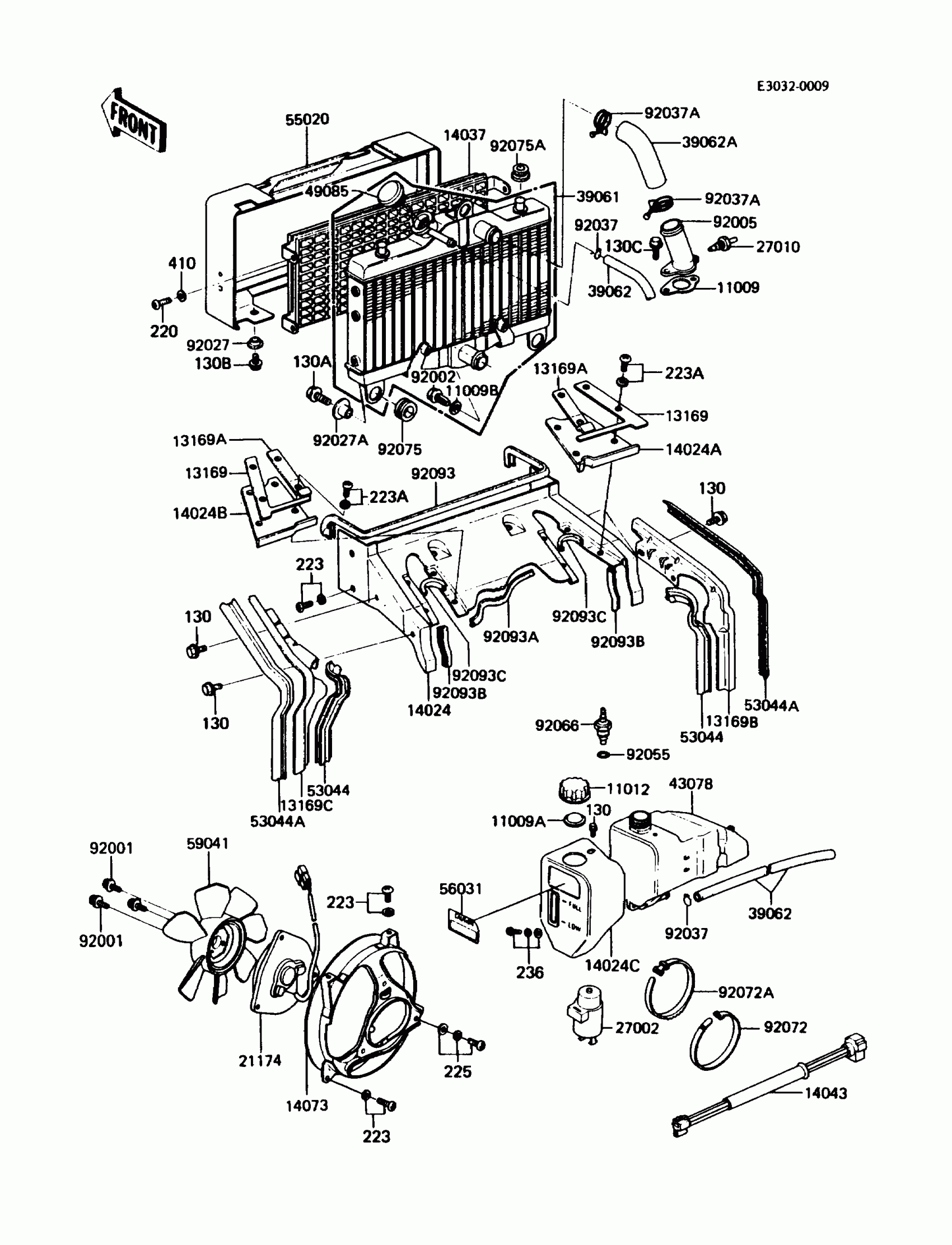
Kawasaki Voyager Radiator Diagram
#
Description
Price
11009
GASKET,HOSE FITTING
11009-1100
Unavailable
13169
PLATE,RADIATOR OUTSIDE
13169-1714
Unavailable
13169A
PLATE,RADIATOR INSIDE
13169-1715
Unavailable
13169B
PLATE,RADIATOR COVER,RH
13169-1740
Unavailable
13169C
PLATE,RADIATOR COVER,LH
13169-1741
Unavailable
14024
COVER,RADIATOR
14025-1665
Unavailable
14024A
COVER,RH
14025-1666
Unavailable
14024B
COVER,LH
14025-1667
Unavailable
14024C
COVER,RESERVOIR TANK
14025-1681
Unavailable
27010
SWITCH,FAN
27010-1026
Unavailable
43078
RESERVOIR,TANK
43078-1007
Unavailable
92005
FITTING,UPPER HOSE
92005-1012
Unavailable
92027
COLLAR,RADIATOR GUARD
92027-1577
Unavailable
92066
SENDER,WATER TEMPERATURE
92066-1028
Unavailable
92075
DAMPER,RADIATOR
92075-1127
Unavailable
220
SCREW PAN HEAD 6X12
220B0612
Unavailable
223A
SCREW-PAN-WS-CROS
223C0614
Unavailable
