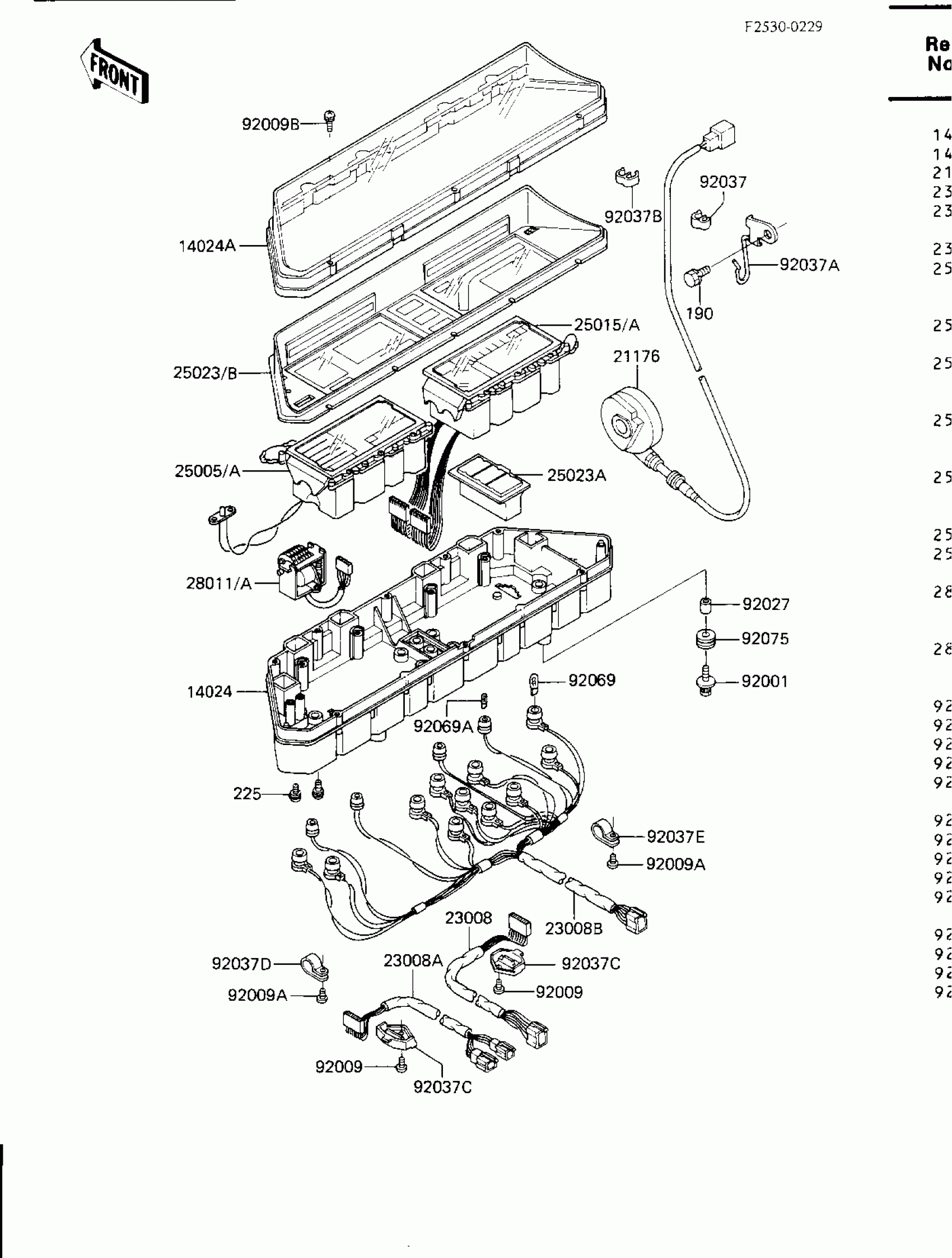
Kawasaki Voyager METERS Diagram
#
Description
Price
14024
COVER,METER,LWR
14025-1793
Unavailable
14024A
COVER,METER,UPP
14025-1794
Unavailable
25005A
SPEEDOMETER,LCD,KM/H (Canada)
25005-1255
Unavailable
25015A
TACHOMETER,LCD,(X1000RPM) (Can
25015-1204
Unavailable
25023B
COVER-METER CASE (Canada)
25023-1106
Unavailable
28011A
METER,ODO METER (Canada)
28011-1056
Unavailable
92037
CLAMP,HOSE
92037-1249
Unavailable
92069A
BULB,12V1.4W T-5
92069-1051
Unavailable
225
SCREW-PAN-WSP-CROS
225B0410
Unavailable
