- Partiron
- OEM Parts
- Yamaha
- snowmobile
- 1987
- VMX540L (V-MAX) 1987
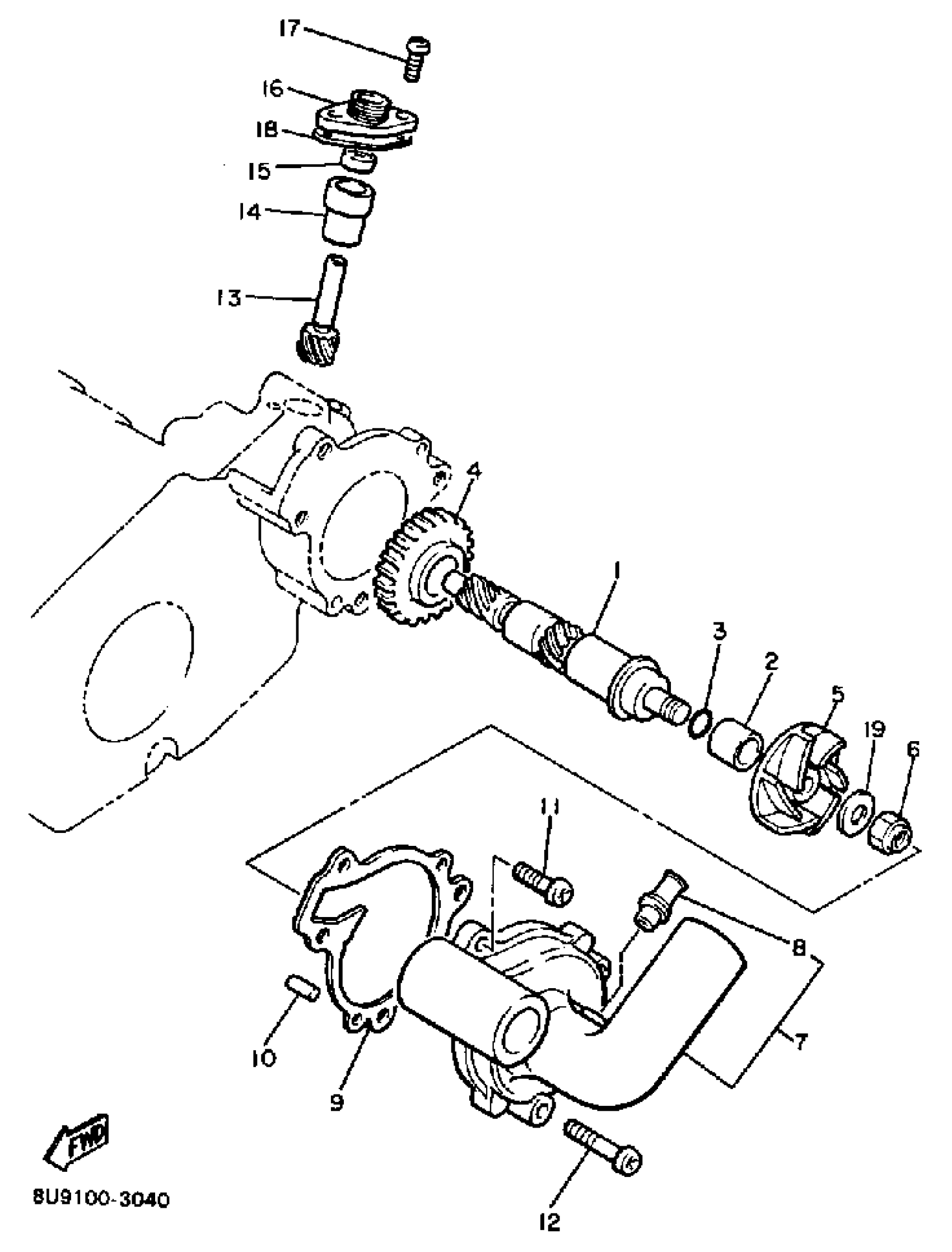
WATER PUMP
Yamaha VMX540L (V-MAX) 1987 WATER PUMP Diagram
#
Description
Price
1
SHAFT, IMPELLER
8X6-12458-00-00
Unavailable
2
COLLAR
90387-130K8-00
Unavailable
4
GEAR, DRIVE (8M6-13188-00)
8M6-13188-01-00
Unavailable
5
IMPELLER, WATER PMP
8A7-12451-00-00
Unavailable
7
COVER, HOUSING
8M6-W1241-00-00
Unavailable
8
JOINT
8A7-12499-00-00
Unavailable
9
GASKET,HOUSING CVR
8M6-12427-02-00
Unavailable
11
UNAVAILABLE IN PRICE BOOK (92502-06016-00)
92503-06016-00
Unavailable
12
SCREW, PAN HEAD(6E0)
97885-06030-00
Unavailable
13
GEAR, DRIVEN
8M6-17841-00-00
Unavailable
14
BUSH, DRVN GR OUTER
8A7-17843-00-00
Unavailable
16
CAP, HOUSING
821-17819-00-00
Unavailable
17
SCREW, PAN HEAD(62X)
97885-05010-00
Unavailable
18
UNAVAILABLE IN PRICE BOOK
831-17818-00-00
Unavailable
19
WASHER (8A7)
90201-08452-00
Unavailable
