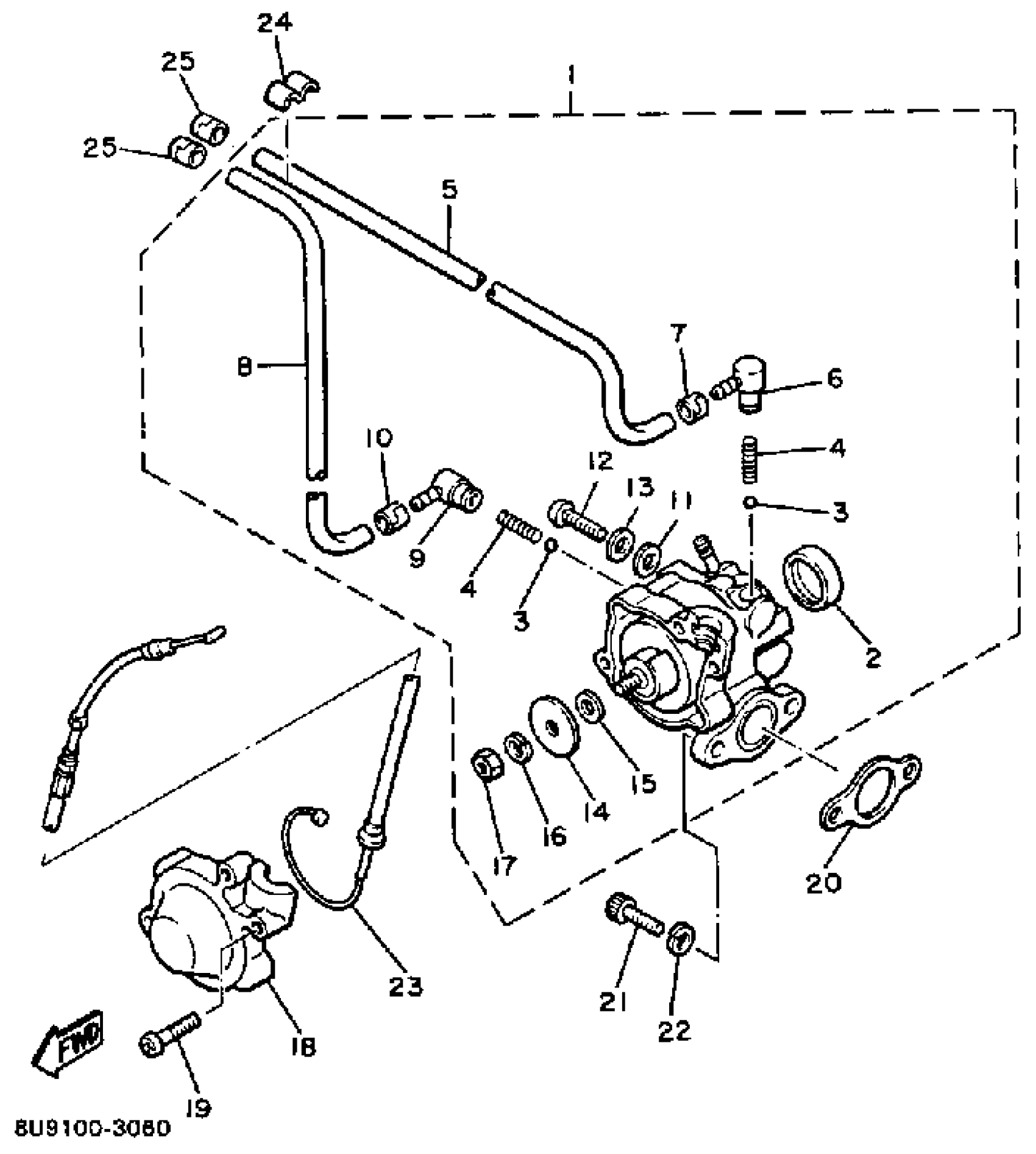
Yamaha VMX540L (V-MAX) 1987 OIL PUMP Diagram
#
Description
Price
1
OIL PUMP ASSEMBLY
8X6-13101-00-00
Unavailable
2
. PLUG
90338-21100-00
Unavailable
8
HOSE
91A30-03052-00
Unavailable
12
SCREW, BINDING
98907-04020-00
Unavailable
14
PLATE, ADJUSTING
137-13138-01-00
Unavailable
15
SHIM,PLUNGER
137-13137-00-05
Unavailable
15
SHIM,PLUNGER
137-13137-00-10
Unavailable
16
YBS67-5 WASHER, SPRING
92990-05100-00
Unavailable
17
NUT, HEXAGON (663)
95380-05600-00
Unavailable
18
COVER, ADJUST PULLEY
8A5-13146-01-00
Unavailable
19
SCREW, PAN HEAD
98507-04018-00
Unavailable
20
GASKET, PUMP CASE
126-13116-01-00
Unavailable
21
BOLT, SOCKET
91317-05016-00
Unavailable
22
YBS67-5 WASHER, SPRING
92990-05100-00
Unavailable
23
. PUMP CABLE ASSEMBLY
8X6-26320-00-00
Unavailable
24
CLAMP, CORD
861-82361-00-00
Unavailable
