- Partiron
- OEM Parts
- Yamaha
- snowmobile
- 1985
- VMX540J (V-MAX) 1985
TRACK SUSPENSION 1
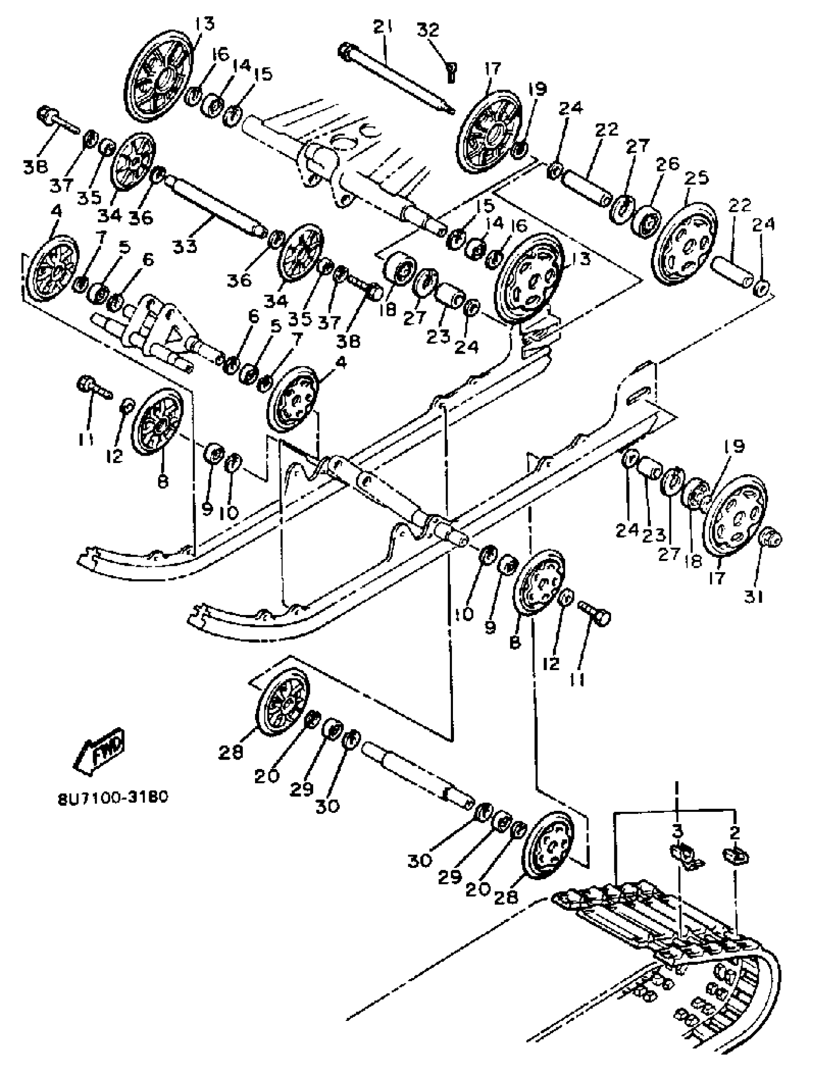
Yamaha VMX540J (V-MAX) 1985 TRACK SUSPENSION 1 Diagram
#
Description
Price
1
TRACK ASSEMBLY
87F-47110-01-00
Unavailable
3
METAL, SLIDE
8A5-47115-00-00
Unavailable
8
SUSPENSION WHEEL COMP.
87U-47320-00-00
Unavailable
13
SUSPENSION WHEEL COMP.
8U7-47320-00-00
Unavailable
21
REAR AXLE COMP.
8L8-47520-02-00
Unavailable
22
COLLAR
90387-202H9-00
Unavailable
23
COLLAR
90387-20022-00
Unavailable
24
WASHER, PLATE (888)
90201-20279-00
Unavailable
25
GUIDE WHEEL COMP.
8K2-47530-00-00
Unavailable
26
BRG,R-B 62042RS 47MM 110G KY
93306-20417-00
Unavailable
27
CIRCLIP(48Y)
99009-47500-00
Unavailable
28
GUIDE WHEEL COMP.
8K2-47530-00-00
Unavailable
28
GUIDE WHEEL COMP.
8M6-47530-00-00
Unavailable
29
BRG,R-B 62042RS 47MM 110G KY
93306-20417-00
Unavailable
30
CIRCLIP(48Y)
99009-47500-00
Unavailable
31
NUT, SELF-LOCKING (8BF)
95607-14200-00
Unavailable
32
PIN COTTER
91490-30025-00
Unavailable
33
IDLER
8L1-47461-00-00
Unavailable
34
SUSPENSION WHEEL COMP.
8H8-47320-00-00
Unavailable
38
BOLT, FLANGE(JN5)
95817-08016-00
Unavailable
