- Partiron
- OEM Parts
- Yamaha
- snowmobile
- 1985
- VMX540J (V-MAX) 1985
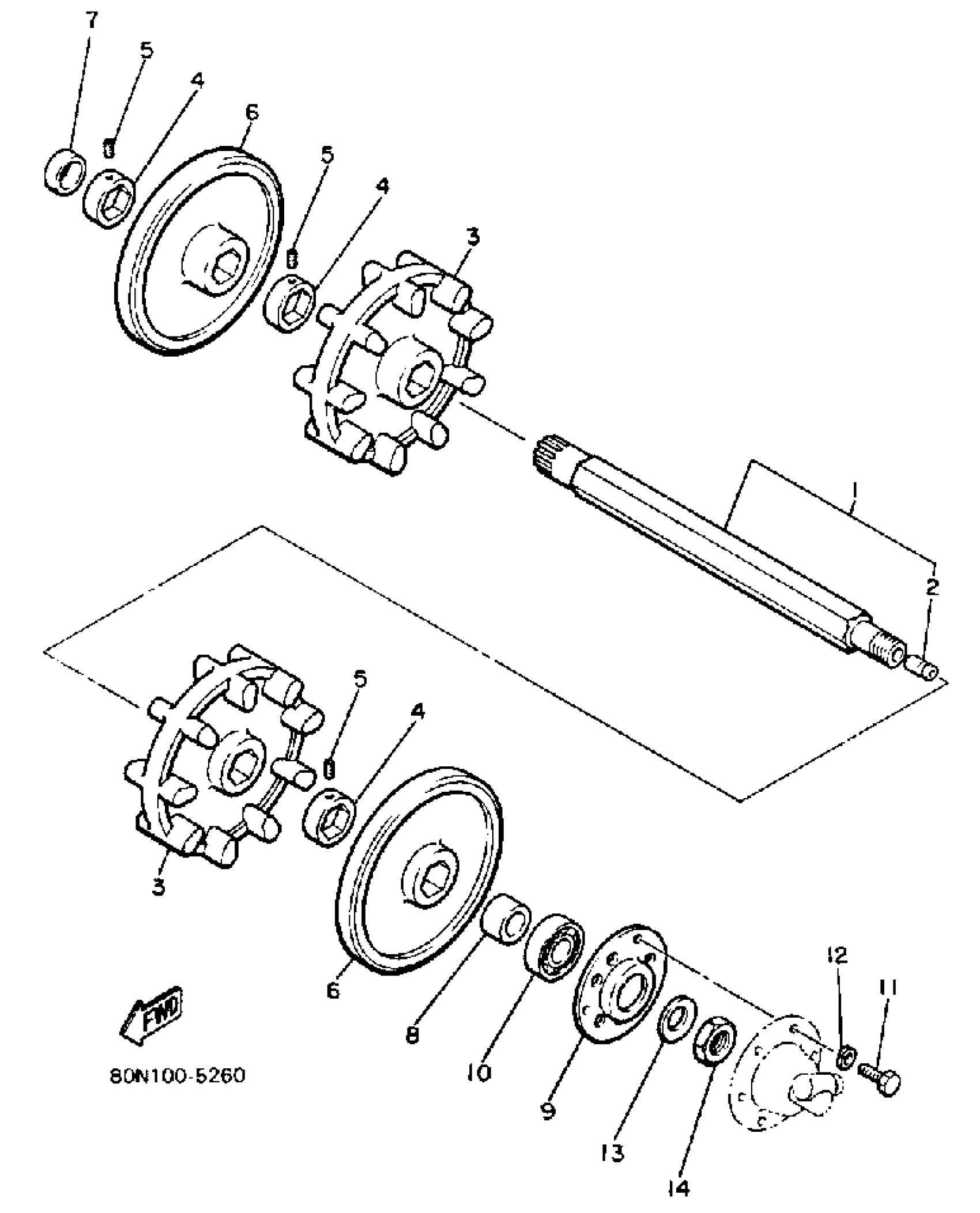
TRACK DRIVE 1
Yamaha VMX540J (V-MAX) 1985 TRACK DRIVE 1 Diagram
#
Description
Price
1
AXLE, FRONT
8L0-W4751-00-00
Unavailable
3
WHEEL, SPROCKET 1
8R6-W4753-01-00
Unavailable
4
COLLAR
8K1-47526-00-00
Unavailable
6
WHEEL, GUIDE 1
8L9-47534-01-00
Unavailable
8
COLLAR
90387-220A6-00
Unavailable
