Yamaha VMX540J (V-MAX) 1985 STEERING Diagram
#
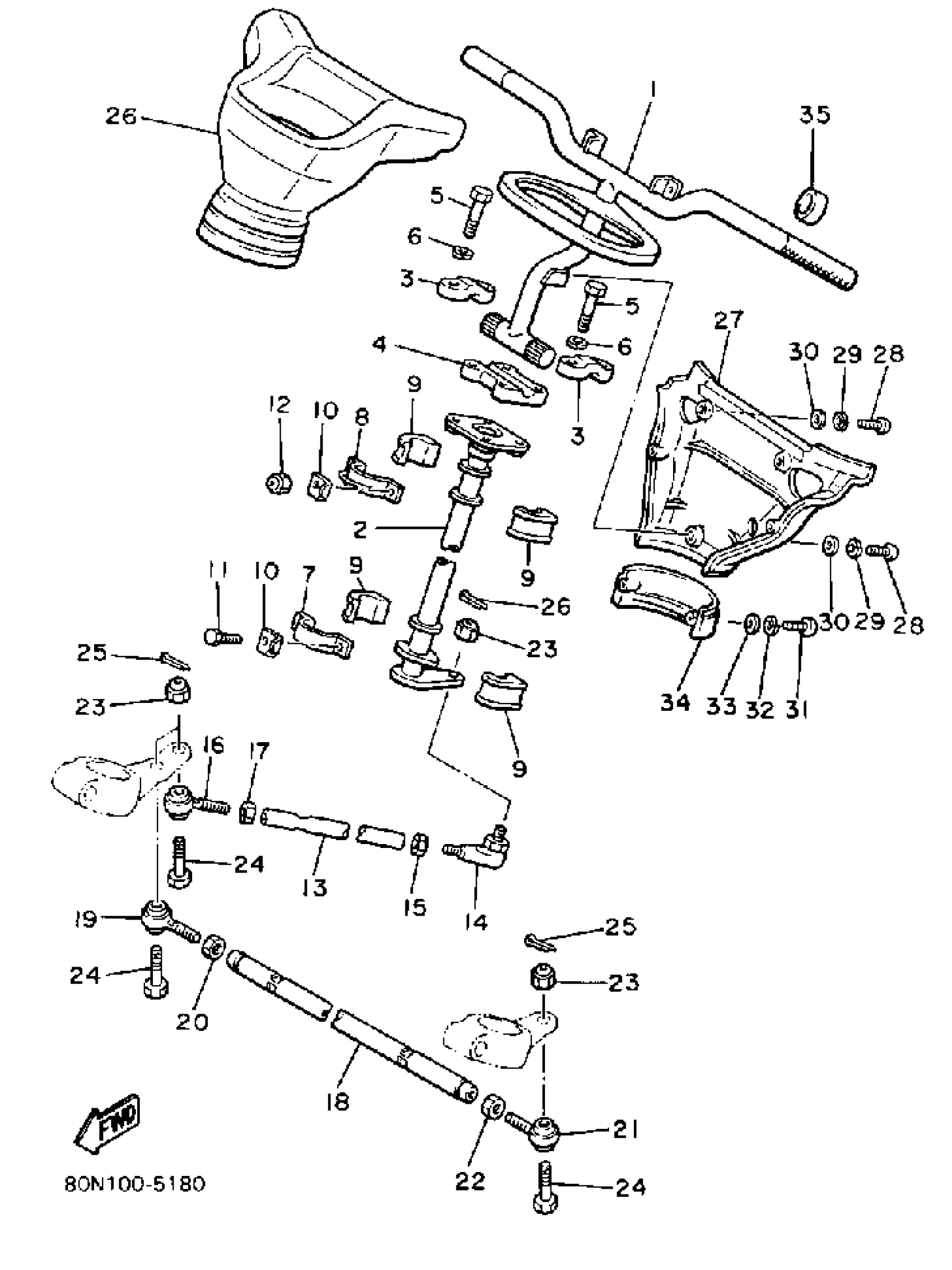
1
COLUMN, STEERING
8U9-23811-00-00
Unavailable
2
COLUMN, STEERING 2
8M6-23813-00-00
Unavailable
4
HANDLE, HOLDER
164-23441-01-98
Unavailable
7
BRACKET, STEERING LOWER
84M-23868-00-00
Unavailable
8
HOLDER, BEARING
84M-23872-00-00
Unavailable
9
BEARING, STEERING
8F3-23812-00-00
Unavailable
13
ROD,STEERING RELAY
85L-23821-00-00
Unavailable
15
NUT (682)
95380-10700-00
Unavailable
16
JOINT, UNIVERSAL 3
87S-23847-01-00
Unavailable
17
NUT, HEXAGON (8A5)
90170-10186-00
Unavailable
18
ROD, TIE
8M6-23831-00-00
Unavailable
19
JOINT, UNIVERSAL 3
87S-23847-01-00
Unavailable
20
NUT, HEXAGON (8A5)
90170-10186-00
Unavailable
21
JOINT, UNIVERSAL 2
87S-23845-01-00
Unavailable
22
NUT (682)
95380-10700-00
Unavailable
23
NUT, NYLON
95707-10300-00
Unavailable
24
BOLT, PIN HOLE (8M6)
90102-10044-00
Unavailable
25
PIN, COTTER
91490-20025-00
Unavailable
26
PAD, STEERING
8L8-23815-01-00
Unavailable
27
. PAD, STEERING
8L8-23817-02-00
Unavailable
28
SCREW, PAN HEAD
90157-05M19-00
Unavailable
29
WASHER(3SX)
92907-05100-00
Unavailable
30
WASHER, PLATE 8067717800
90201-05029-00
Unavailable
31
SCREW, PAN HEAD
98517-04012-00
Unavailable
32
WASHER(6TA)
92907-04100-00
Unavailable
33
WASHER(JF2)
92907-04600-00
Unavailable
34
COVER, STEERING
8Y0-23818-00-00
Unavailable
35
WASHER, LOCK
(8X6-23857-00-00)
Unavailable
