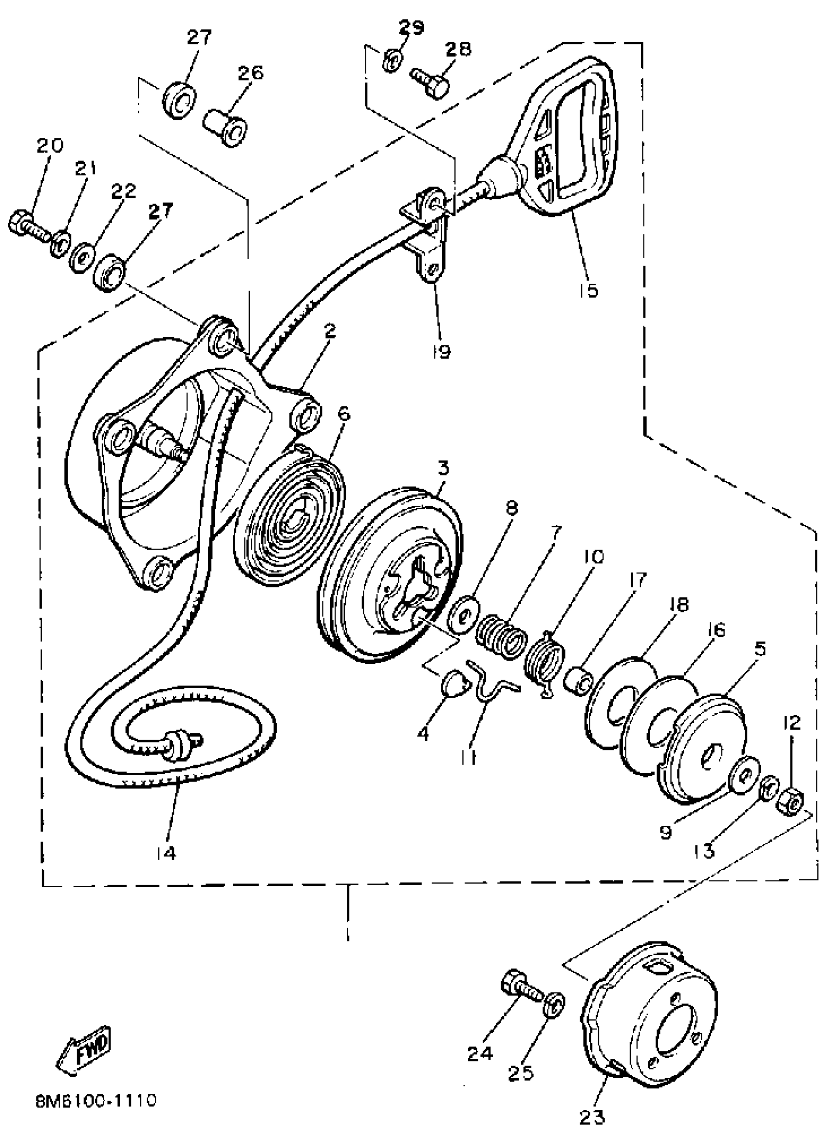
Yamaha VMX540H (V-MAX) 1984 STARTER Diagram
#
Description
Price
1
STARTER ASSEMBLY (8M6-15710-02)
8M6-15710-04-00
Unavailable
2
. CASE, STARTER (8M6-15711-01)
8M6-15711-04-00
Unavailable
3
. DRUM, SHEAVE
857-15714-00-00
Unavailable
4
. PAWL, DRIVE
616-15741-01-00
Unavailable
5
. PLATE, DRIVE
8A7-15716-00-00
Unavailable
7
SPRING,DRIVE PLATE
626-15715-01-00
Unavailable
8
WASHER, FLAT
(802-15726-00-00)
Unavailable
9
WASHER,FLAT
807-15726-01-00
Unavailable
10
. SPRING, RETURN
811-15734-00-00
Unavailable
11
. SPRING, RETURN
811-15784-00-00
Unavailable
12
. NUT
95380-08700-00
Unavailable
16
WASHER,THRUST
8A7-15719-00-00
Unavailable
17
. BUSH
8A7-15753-00-00
Unavailable
18
WASHER,THRUST
8A7-15719-00-00
Unavailable
19
HOLDER, HANDLE
8F3-15788-01-00
Unavailable
20
BOLT (682)
97095-06040-00
Unavailable
21
WASHER, SPRING
92995-06100-00
Unavailable
22
WASHER, PLATE
90201-06380-00
Unavailable
23
PULLEY, STARTER
8M6-15723-01-00
Unavailable
24
BOLT, HEXAGON
97017-08016-00
Unavailable
26
COLLAR
90387-061F8-00
Unavailable
27
BUSH (8M6)
90385-12036-00
Unavailable
28
BOLT, HEXAGON
97017-06012-00
Unavailable
29
WASHER, SPRING
92907-06100-00
Unavailable
