- Partiron
- OEM Parts
- Yamaha
- snowmobile
- 1984
- VMX540H (V-MAX) 1984
ELECTRICAL 2
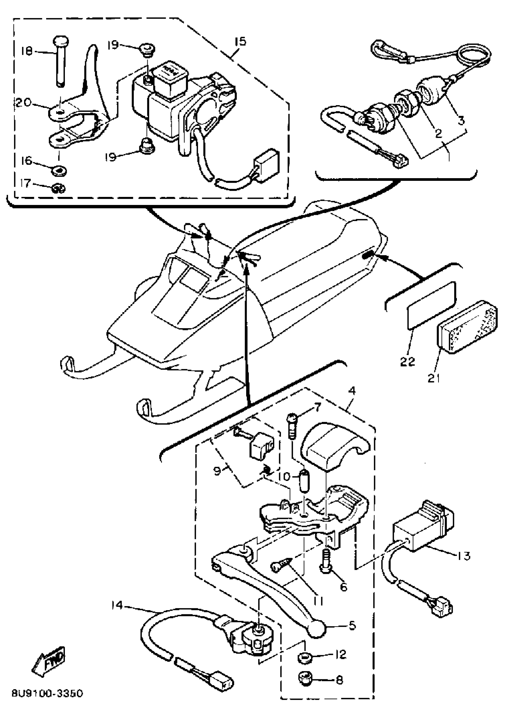
Yamaha VMX540H (V-MAX) 1984 ELECTRICAL 2 Diagram
#
Description
Price
6
SCREW, PAN HEAD(41N)
90157-05057-00
Unavailable
9
. LEVER LOCK ASSEMBLY (8K4-83930-00-00)
82A-83930-00-00
Unavailable
10
COLLAR, LEVER
802-83913-00-00
Unavailable
11
. SCREW, TAPPING
97780-30312-00
Unavailable
12
. WASHER, PLAIN
92990-05200-00
Unavailable
15
. LEVER HOLDER ASSEMBLY 2 (RIGHT)
8X6-82720-00-00
Unavailable
16
WASHER, PLAIN LARGE
92907-05200-00
Unavailable
17
CIRCLIP (EU0)
99080-04600-00
Unavailable
18
CAP 1
85G-83956-00-00
Unavailable
19
CAP 1
85G-83956-00-00
Unavailable
20
. LEVER, THROTTLE (80N-42138-00-00)
80N-42138-02-00
Unavailable
21
REAR REFLECTOR ASSY
81G-85130-00-00
Unavailable
22
TAPE, REFLECTOR
878-85133-00-00
Unavailable
