- Partiron
- OEM Parts
- Yamaha
- motorcycle
- 2017
- VMX17HR (V-MAX) 2CER 2017
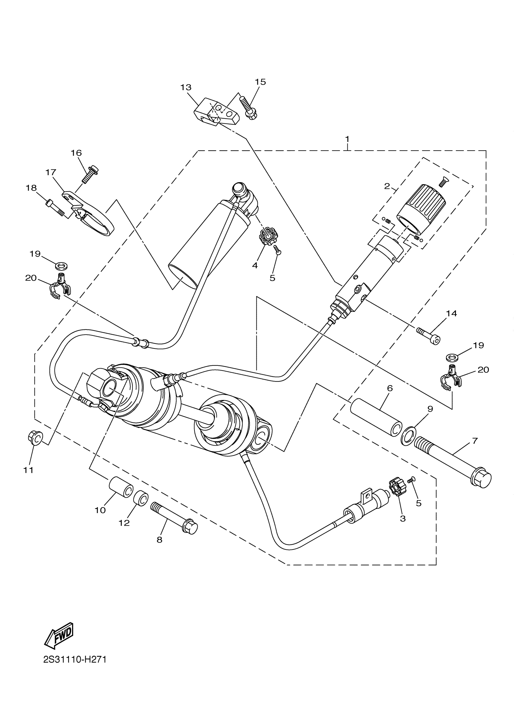
REAR SUSPENSION
Yamaha VMX17HR (V-MAX) 2CER 2017 REAR SUSPENSION Diagram
#
Description
Price
1
SHOCK ABSORBER ASSY, REAR
2CE-22210-00-00
Unavailable
2
REPAIR KIT
2S3-28130-09-00
Unavailable
4
. KNOB (COMP)
5EA-22464-00-00
Unavailable
7
BOLT, FLANGE
90105-14006-00
Unavailable
12
BUSH, SOLID
90380-10005-00
Unavailable
16
BOLT, HEXAGON SOCKET HEAD
90110-06387-00
Unavailable
17
BRKT
2S3-27333-00-00
Unavailable
18
BOLT,SOCKET HEAD
91314-05020-00
Unavailable
19
WASHER, PLATE
90201-06105-00
Unavailable
20
CLAMP
90464-18002-00
Unavailable
