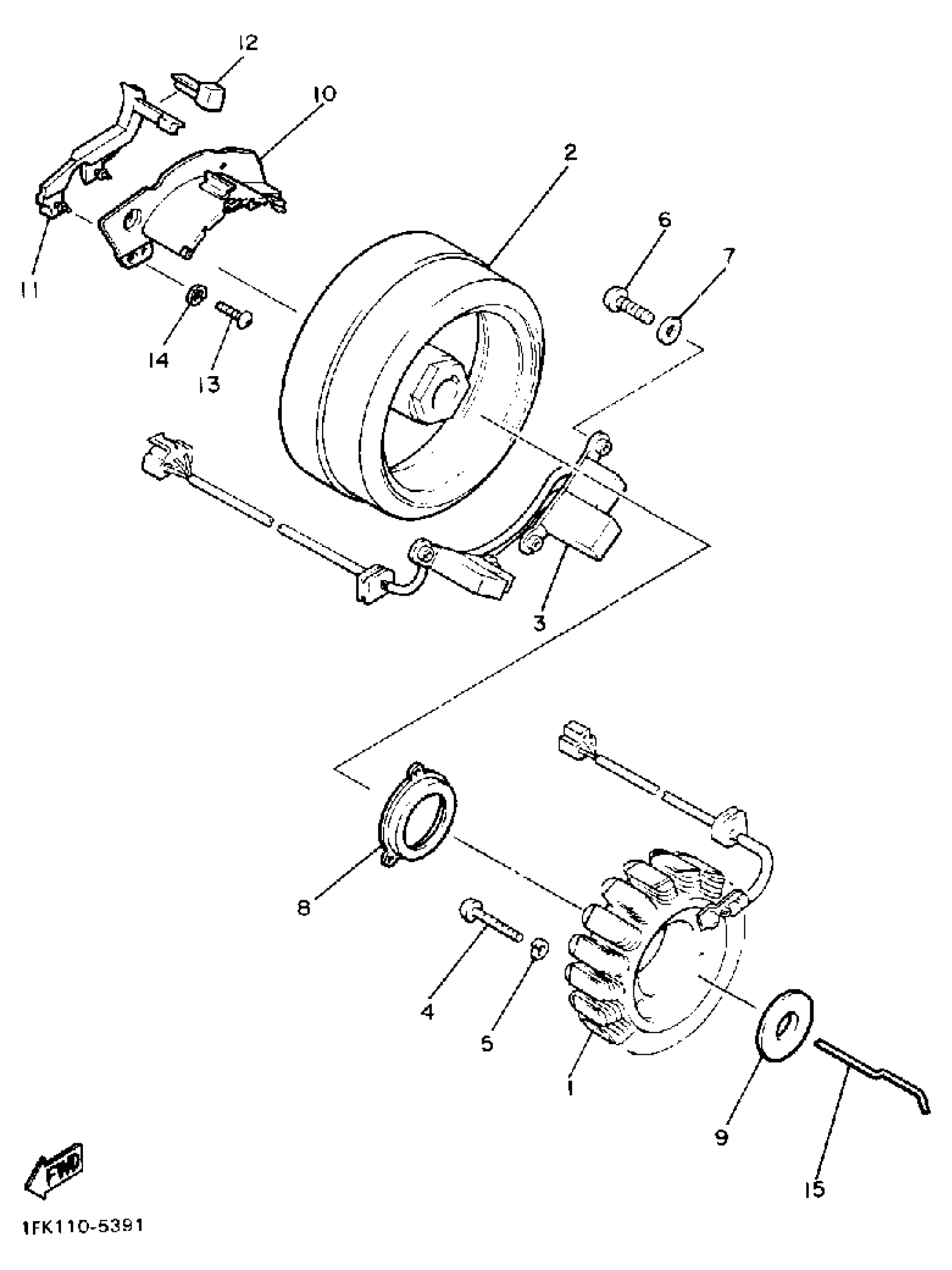
Yamaha VMX12WC (V-MAX 1200 CA) 3JP2 1989 GENERATOR Diagram
#
Description
Price
1
STATOR ASSEMBLY
1FK-81410-11-00
Unavailable
2
ROTOR ASSEMBLY
1FK-81450-10-00
Unavailable
3
PICK-UP ASSEMBLY
26H-81670-10-00
Unavailable
5
WASHER, SPRING
92995-06100-00
Unavailable
10
SEPARATOR, OIL
(1FK-15358-00-00)
Unavailable
12
SEAL, PROTECTOR
1FK-15494-00-00
Unavailable
13
SCREW, PAN HEAD(62J)
97885-06012-00
Unavailable
14
WASHER, SPRING
92995-06100-00
Unavailable
