- Partiron
- OEM Parts
- Yamaha
- motorcycle
- 1989
- VMX12WC (V-MAX 1200 CA) 3JP2 1989
ELECTRICAL 2
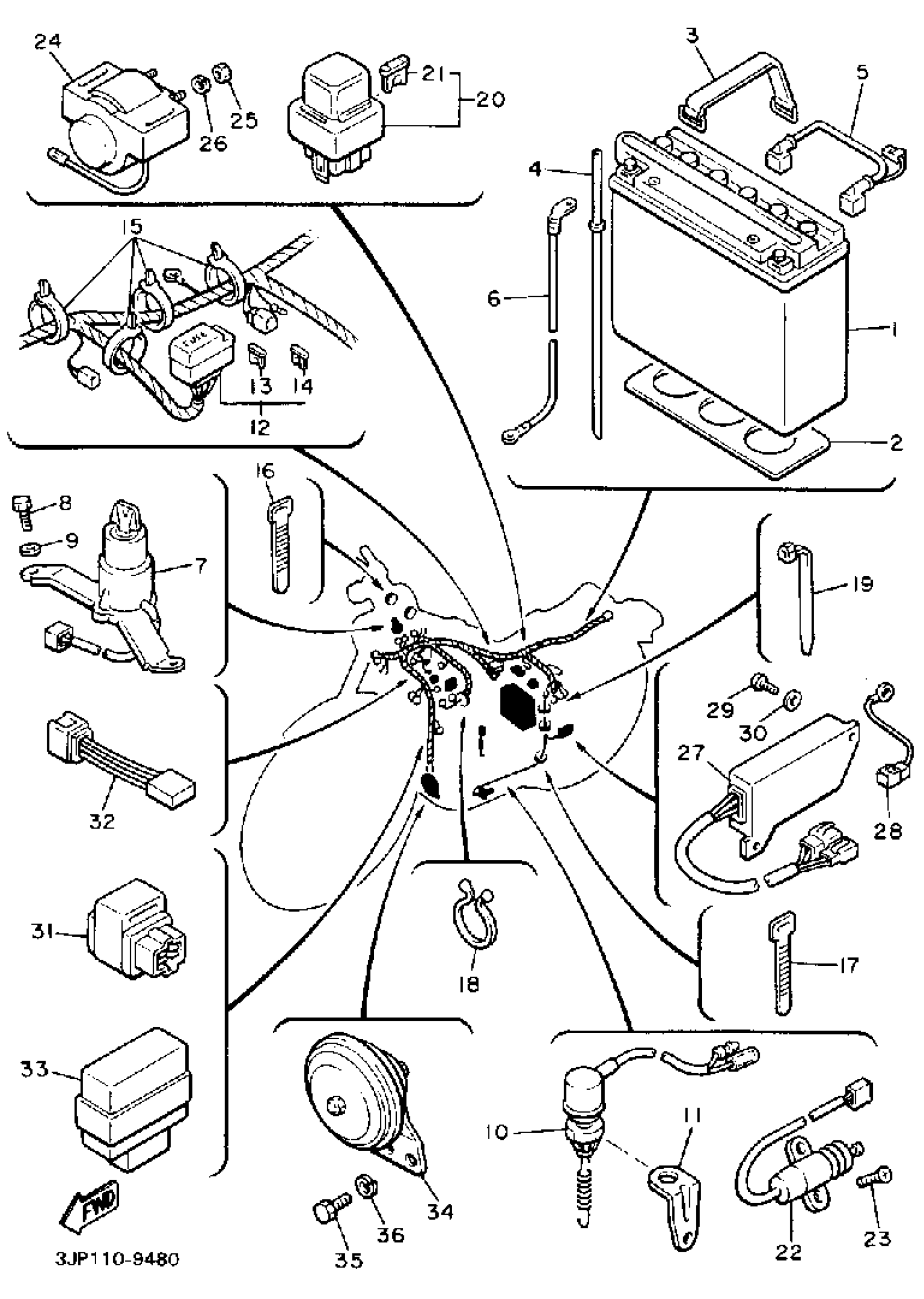
Yamaha VMX12WC (V-MAX 1200 CA) 3JP2 1989 ELECTRICAL 2 Diagram
#
1
YB16ALA2 YUASA BATTERY
YB1-6ALA2-00-00
Unavailable
2
SEAT, BATTERY
1FK-82122-00-00
Unavailable
4
PIPE, BREATHER
1FK-82112-00-00
Unavailable
5
WIRE, PLUS LEAD
1UT-82115-00-00
Unavailable
7
MAIN SWITCH ASSY
1FK-82510-01-00
Unavailable
10
STOP SWITCH ASSY
1FK-82530-02-00
Unavailable
11
STAY, STOP SWITCH
1FK-82539-00-00
Unavailable
12
WIRE HARNESS ASSEMBLYASSY
1UT-82590-01-00
Unavailable
16
BAND, SWITCH CORD
437-83936-01-00
Unavailable
17
BAND, SWITCH CORD
437-83936-01-00
Unavailable
18
CLAMP (3Y2)
90464-16039-00
Unavailable
19
CLAMP(4FM)
90464-15195-00
Unavailable
20
FUSE HOLDER ASSY
1AE-82150-00-00
Unavailable
21
FUSE (12V 30A)
1AE-82151-00-00
Unavailable
22
SWITCH, SIDE STAND
33E-82566-00-00
Unavailable
23
SCREW, FLAT
98707-05016-00
Unavailable
24
STARTER RELAY ASSY
36Y-81940-00-00
Unavailable
25
NUT(650)
95380-06700-00
Unavailable
26
WASHER, SPRING
92995-06100-00
Unavailable
27
RECTIFIER & REGULATOR ASSY
42X-81960-A1-00
Unavailable
28
WIRE, EARTH LEAD 2
3LR-83364-00-00
Unavailable
29
SCREW, PAN HEAD(62J)
97885-06012-00
Unavailable
30
WASHER, PLAIN (646)
92990-06600-00
Unavailable
31
RELAY ASSY
4U8-81950-03-00
Unavailable
32
RECTIFIER 2
4U8-81980-M0-00
Unavailable
33
FLASHER RELAY ASSY
41R-83350-72-00
Unavailable
34
HORN
1FK-83371-02-00
Unavailable
35
BOLT, HEXAGON
97017-06016-00
Unavailable
36
WASHER(3SX)
92907-05100-00
Unavailable
36
WASHER, SPRING
92907-06100-00
Unavailable
