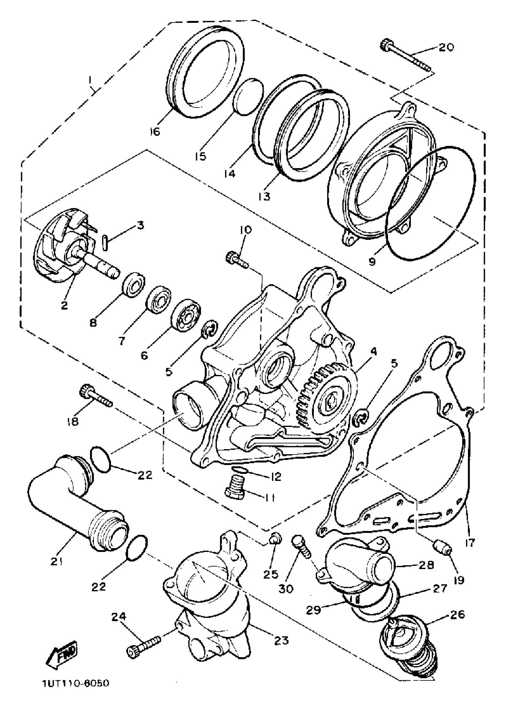
Yamaha VMX12UC (V-MAX 1200 CA) 2WF 1988 WATER PUMP Diagram
#
Description
Price
1
WATER PUMP ASSY
1FK-12420-10-00
Unavailable
4
GEAR, IMPELLER SHAFT (31T)
26H-12459-00-00
Unavailable
13
DAMPER 4
26H-15337-01-00
Unavailable
16
COVER, CHAIN CASE 2
1FK-15428-00-00
Unavailable
17
GASKET, WATER PUMP
3JP-12449-02-00
Unavailable
18
BOLT,SOCKET
91317-06025-00
Unavailable
19
PIN, DOWEL(3VD)
99530-10114-00
Unavailable
20
BOLT, SOCKET
91317-06065-00
Unavailable
21
JOINT
1FK-12446-00-00
Unavailable
22
O-RING(1KT)
93210-27778-00
Unavailable
23
HOUSING, THERMOSTAT
1FK-12417-00-00
Unavailable
24
BOLT,SOCKET
91317-06020-00
Unavailable
25
PLUG (13K)
90338-06134-00
Unavailable
26
THERMOSTAT ASSY
99999-03066-00
Unavailable
27
SEAL, THERMOSTAT
11H-12412-00-00
Unavailable
28
COVER, THERMOSTAT
26H-12413-00-00
Unavailable
29
O-RING(1EY)
93210-43713-00
Unavailable
30
BOLT, HEXAGON SOCKET HEAD(47X)
90110-06084-00
Unavailable
