- Partiron
- OEM Parts
- Yamaha
- motorcycle
- 1985
- VMX12NC (V-MAX 1200 CA) 1JH 1985
ELECTRICAL 2
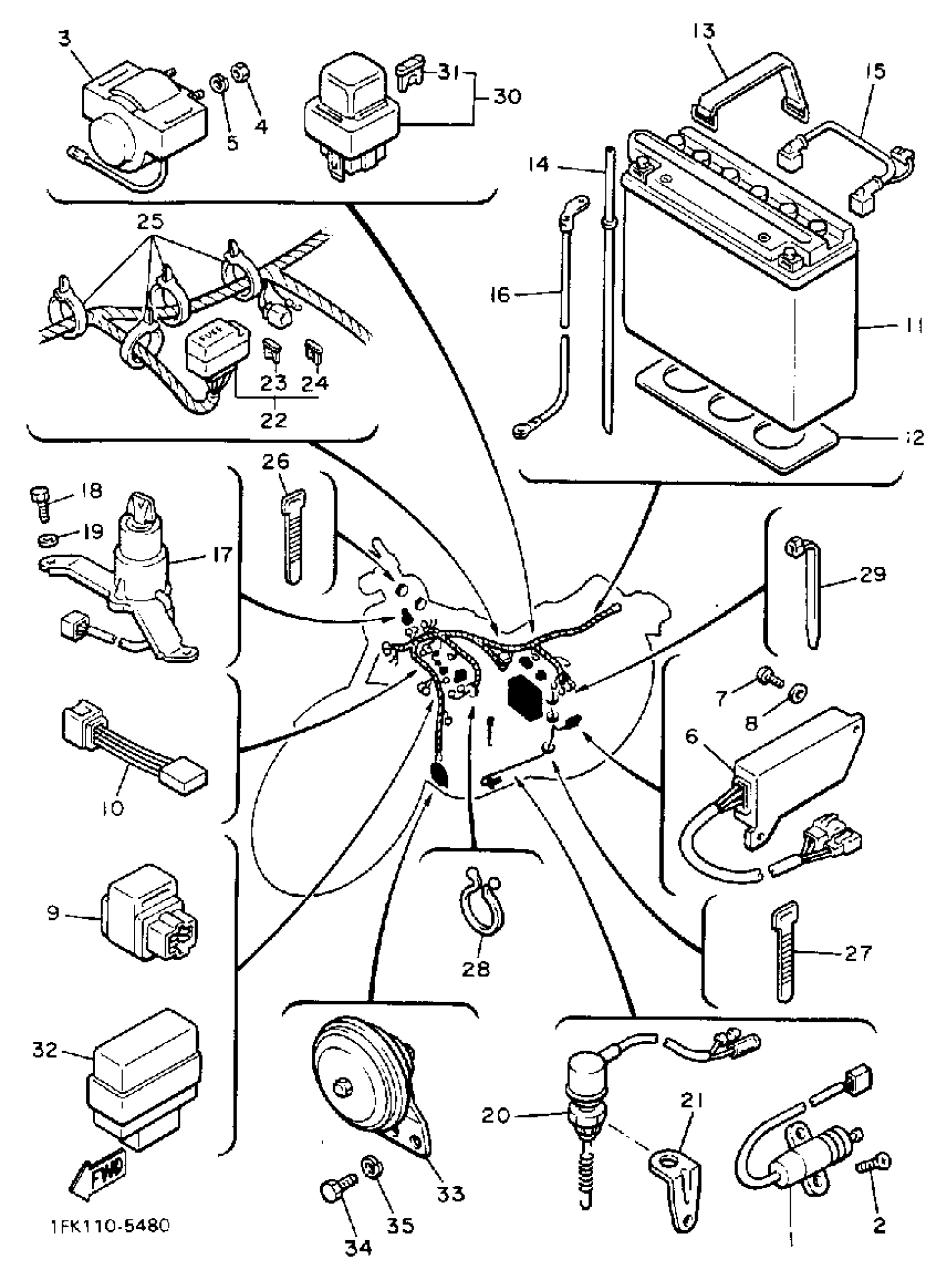
Yamaha VMX12NC (V-MAX 1200 CA) 1JH 1985 ELECTRICAL 2 Diagram
#
1
SWITCH, SIDE STAND
33E-82566-00-00
Unavailable
3
STARTER RELAY ASSY
36Y-81940-00-00
Unavailable
5
WASHER, SPRING
92995-06100-00
Unavailable
7
SCREW, PAN HEAD(62J)
97885-06012-00
Unavailable
9
RELAY ASSY
4U8-81950-03-00
Unavailable
10
RECTIFIER 2
4U8-81980-M0-00
Unavailable
11
YB16ALA2 YUASA BATTERY
YB1-6ALA2-00-00
Unavailable
12
SEAT, BATTERY
1FK-82122-00-00
Unavailable
14
PIPE, BREATHER
1FK-82112-00-00
Unavailable
15
WIRE, PLUS LEAD
1UT-82115-00-00
Unavailable
16
WIRE, MINUS LEAD
1FK-82116-00-00
Unavailable
17
MAIN SWITCH ASSY
1FK-82510-01-00
Unavailable
18
BOLT, HEXAGON
97017-06012-00
Unavailable
19
WASHER(6TA)
92907-06600-00
Unavailable
20
STOP SWITCH ASSY
1FK-82530-02-00
Unavailable
21
STAY, STOP SWITCH
1FK-82539-00-00
Unavailable
22
WIRE HARNESS ASSEMBLYASSY
1UT-82590-01-00
Unavailable
23
FUSE (10A)
42X-82151-00-00
Unavailable
24
FUSE (12V 15A)
36Y-82151-00-00
Unavailable
25
BAND
1UA-82591-00-00
Unavailable
26
BAND, SWITCH CORD
437-83936-01-00
Unavailable
27
BAND, SWITCH CORD
437-83936-11-00
Unavailable
28
CLAMP (3Y2)
90464-16039-00
Unavailable
29
CLAMP(4FM)
90464-15195-00
Unavailable
30
FUSE HOLDER ASSY
1AE-82150-00-00
Unavailable
31
FUSE (12V 30A)
1AE-82151-00-00
Unavailable
32
FLASHER RELAY ASSY
41R-83350-72-00
Unavailable
33
HORN
1FK-83371-02-00
Unavailable
34
BOLT, HEXAGON
97017-06016-00
Unavailable
35
WASHER, SPRING
92907-06100-00
Unavailable
