- Partiron
- OEM Parts
- Yamaha
- motorcycle
- 1998
- VMX12KC (V-MAX 1200 CA) 3JPW 1998
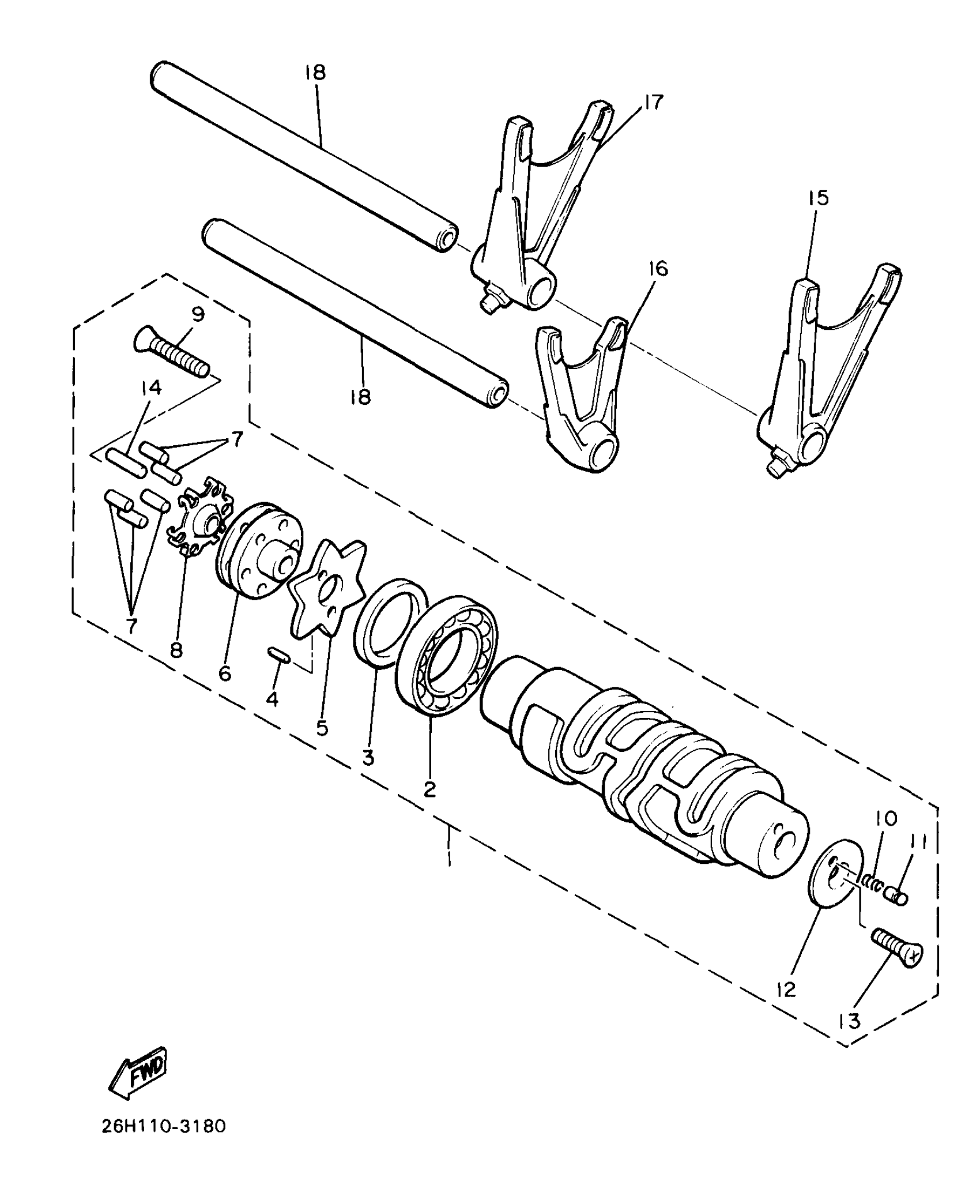
SHIFT CAM FORK
Yamaha VMX12KC (V-MAX 1200 CA) 3JPW 1998 SHIFT CAM FORK Diagram
#
Description
Price
1
SHIFT CAM ASSY
26H-18540-03-00
Unavailable
3
SPACER (26H)
90560-30234-00
Unavailable
4
PIN (2H7)
93603-10049-00
Unavailable
5
PLATE, STOPPER
4NK-18141-00-00
Unavailable
6
SEGMENT
4NK-18185-00-00
Unavailable
8
PLATE, SIDE 1
26H-18561-01-00
Unavailable
12
PLATE, SIDE 2
278-18566-00-00
Unavailable
16
FORK, SHIFT 2
26H-18512-00-00
Unavailable
17
FORK, SHIFT 3
26H-18513-00-00
Unavailable
18
BAR, SHIFT FORK GUIDE 1
26H-18531-00-00
Unavailable
