- Partiron
- OEM Parts
- Yamaha
- motorcycle
- 1997
- VMX12JC (V-MAX 1200 CA) 3JPT 1997
ELECTRICAL 2
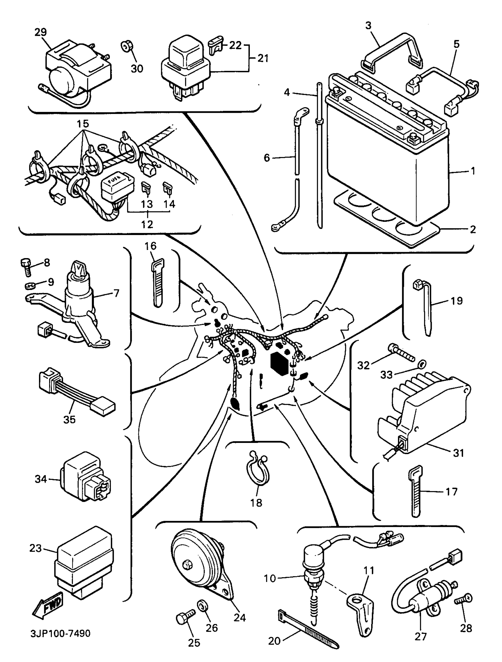
Yamaha VMX12JC (V-MAX 1200 CA) 3JPT 1997 ELECTRICAL 2 Diagram
#
Description
Price
1
YB16ALA2 YUASA BATTERY
YB1-6ALA2-00-00
Unavailable
2
SEAT, BATTERY
1FK-82122-00-00
Unavailable
4
PIPE, BREATHER
1FK-82112-00-00
Unavailable
5
WIRE, PLUS LEAD
1UT-82115-00-00
Unavailable
7
MAIN SWITCH ASSY
1FK-82510-01-00
Unavailable
10
STOP SWITCH ASSY
1FK-82530-02-00
Unavailable
11
STAY, STOP SWITCH
1FK-82539-00-00
Unavailable
12
WIRE HARNESS ASSY
3JP-82590-00-00
Unavailable
16
BAND, SWITCH CORD
437-83936-01-00
Unavailable
17
BAND, SWITCH CORD
437-83936-11-00
Unavailable
18
CLAMP (3Y2)
90464-16039-00
Unavailable
19
CLAMP(4FM)
90464-15195-00
Unavailable
20
BAND, SWITCH CORD
437-83936-01-00
Unavailable
21
FUSE HOLDER ASSY
1AE-82150-00-00
Unavailable
22
FUSE (12V 30A)
1AE-82151-00-00
Unavailable
23
FLASHER RELAY ASSY
2UJ-83350-01-00
Unavailable
24
HORN
1FK-83371-02-00
Unavailable
27
SWITCH, SIDE STAND
3LD-82566-71-00
Unavailable
28
SCREW, PAN HEAD
98507-05014-00
Unavailable
29
STARTER RELAY ASSY (MS5D-341)
3UF-81940-00-00
Unavailable
30
NUT, FLANGE(4MV)
95707-06500-00
Unavailable
31
RECTIFIER & REGULATOR ASSY
3JP-81960-01-00
Unavailable
32
SCREW, PAN
98517-06030-00
Unavailable
34
RELAY ASSY
12R-81950-02-00
Unavailable
35
RECTIFIER 2
4U8-81980-M0-00
Unavailable
