Yamaha VMX12AC (V-MAX 1200 CA) 3JP5 1990 EXHAUST Diagram
#
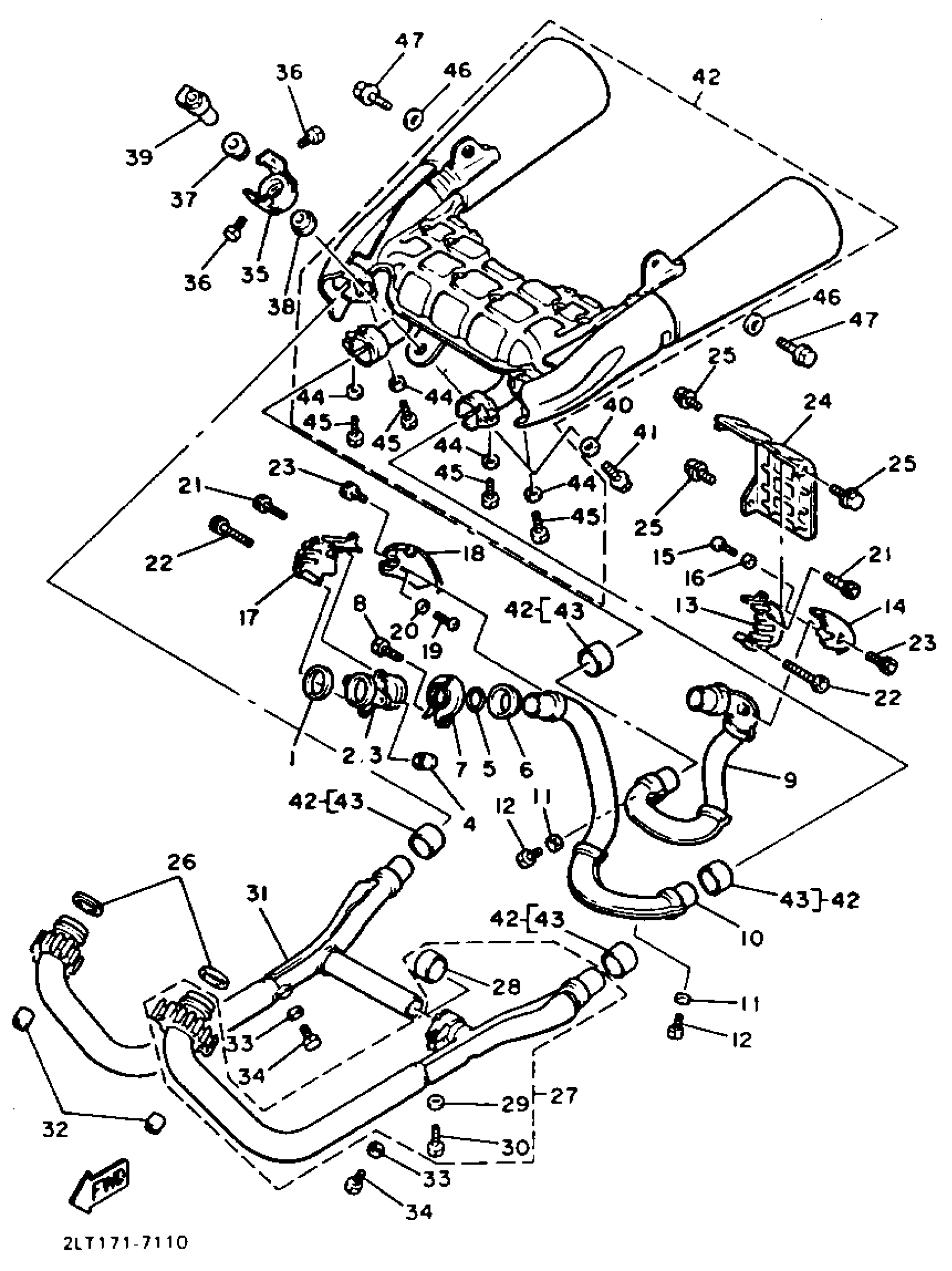
2
JOINT, EXHAUST 1
1FK-14615-00-00
Unavailable
3
JOINT, EXHAUST 2
1FK-14625-00-00
Unavailable
4
NUT(4KM)
90179-08673-00
Unavailable
5
GASKET, EXHAUST PIPE
1FK-14613-00-00
Unavailable
6
RING, STOPPER
1FK-14618-00-00
Unavailable
7
BAND, muffler (26H-14715-00)
26h-14715-01-00
Unavailable
8
BOLT, HEXAGON SOCKET HEAD
90110-06054-00
Unavailable
9
PIPE, EXHAUST 1
1FK-14611-00-00
Unavailable
10
PIPE, EXHAUST 3
1FK-14631-00-00
Unavailable
13
COVER 1
1FK-14603-00-00
Unavailable
14
PLATE, PROTECTOR 1
1FK-1465R-00-00
Unavailable
15
SCREW, PAN HEAD(62X)
97885-05010-00
Unavailable
16
WASHER, PLAIN (646)
92990-05600-00
Unavailable
17
COVER, EXHAUST
1FK-14624-00-00
Unavailable
18
PLATE, PROTECTOR
1FK-1465T-00-00
Unavailable
19
SCREW, PAN HEAD(62X)
97885-05010-00
Unavailable
20
WASHER, PLAIN (646)
92990-05600-00
Unavailable
21
BOLT, HEXAGON SOCKET HEAD
90110-05107-00
Unavailable
22
BOLT
91380-05045-00
Unavailable
23
BOLT, HEXAGON SOCKET HEAD
90110-05106-00
Unavailable
24
COVER,AIR 1
3UF-14604-01-00
Unavailable
25
BOLT, WITH WASHER(1FK)
90119-06115-00
Unavailable
27
EXHAUST PIPE ASY L
1FK-14610-11-00
Unavailable
28
GASKET, SILENCER
3XW-14755-00-00
Unavailable
29
.. WASHER, PLATE
92990-08600-00
Unavailable
30
BOLT, HEXAGON
97017-08025-00
Unavailable
31
EXHAUST PIPE ASSY
1FK-14620-01-00
Unavailable
32
NUT(4KM)
90179-08673-00
Unavailable
35
STAY, MUFFLER 1
1FK-14771-00-00
Unavailable
36
BOLT(3JP)
97017-06010-00
Unavailable
37
DAMPER, MUFFLER
36Y-14747-00-00
Unavailable
38
DAMPER, MUFFLER
1FK-14747-00-00
Unavailable
39
COLLAR
1FK-14638-00-00
Unavailable
40
WASHER, PLATE (2H7)
90201-10669-00
Unavailable
41
BOLT(3JP)
97017-10045-00
Unavailable
42
MUFFLER ASSY 1
1UT-14710-14-00
Unavailable
43
GASKET, SILENCER
3XW-14755-00-00
Unavailable
44
.. WASHER, PLATE
92990-08600-00
Unavailable
45
BOLT, HEXAGON
97017-08025-00
Unavailable
46
WASHER PLATE (3L6)
90201-10742-00
Unavailable
47
BOLT, WASHER BASED (26H)
90105-10271-00
Unavailable
