- Partiron
- OEM Parts
- Suzuki
- Motorcycle
- 2021
- VL800M1 (2021)
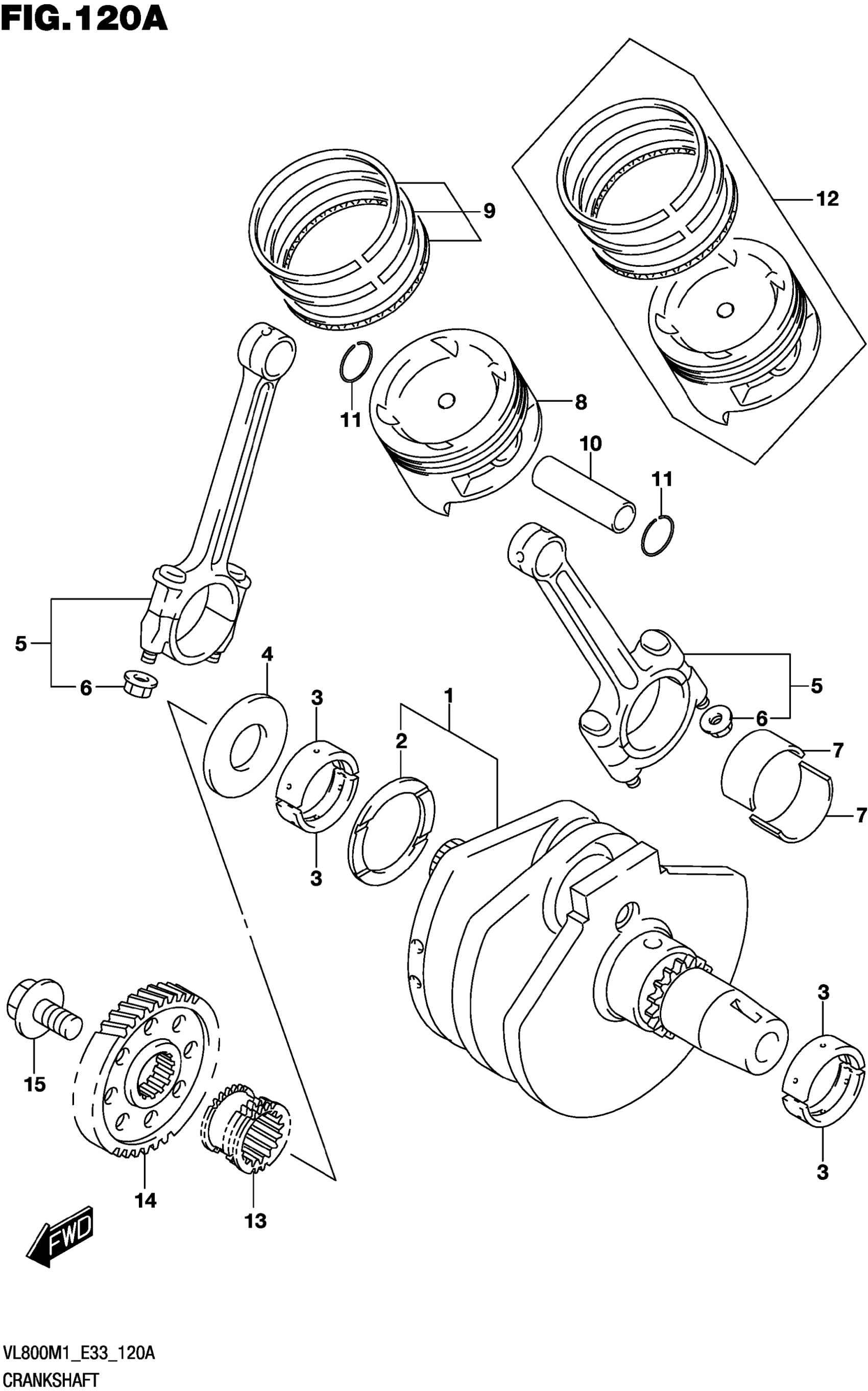
CRANKSHAFT
Suzuki VL800M1 (2021) CRANKSHAFT Diagram
#
Description
Price
2-1
.WASHER (1X64X1.94)
09160-48001
Unavailable
2-2
.WASHER (1X64X1.96)
09160-48002
Unavailable
2-3
.WASHER (1X64X1.99)
09160-48003
Unavailable
2-4
.WASHER (1X64X2.01)
09160-48004
Unavailable
2-5
.WASHER (1X64X2.04)
09160-48005
Unavailable
2-7
.WASHER (1X64X2.09)
09160-48007
Unavailable
2-8
.WASHER (1X64X2.11)
09160-48008
Unavailable
2-9
.WASHER (1X64X2.14)
09160-48009
Unavailable
14
GEAR,PRIMARY DRIVE (NT:42)
21111-38A00
Unavailable
