- Partiron
- OEM Parts
- Suzuki
- Motorcycle
- 2019
- VL800L9 (2019)
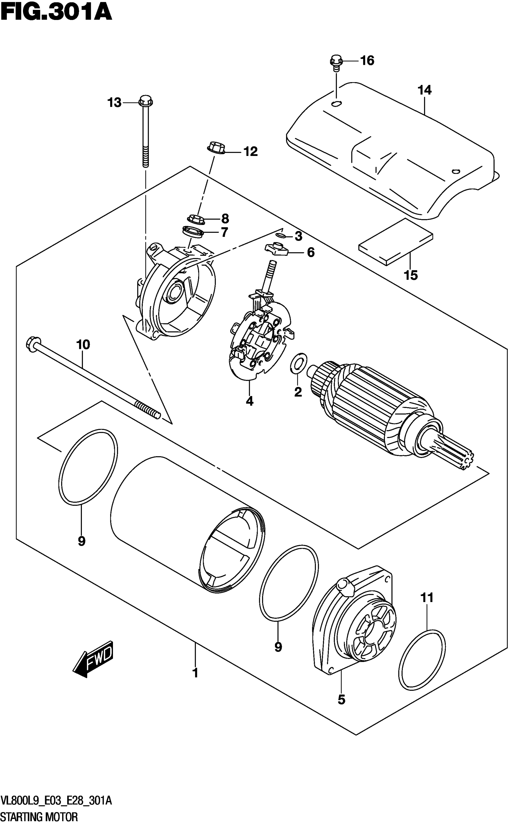
STARTING MOTOR
Suzuki VL800L9 (2019) STARTING MOTOR Diagram
#
Description
Price
2
.SHIM SET
31170-43400
Unavailable
5
.BRACKET SET
31150-38A00
Unavailable
7
.BUSHING
31173-88C00
Unavailable
15
DAMPER,MOTOR COVER
31212-38A10
Unavailable
16
BOLT
01547-0508A
Unavailable
