- Partiron
- OEM Parts
- Suzuki
- Motorcycle
- 2018
- VL800L8 (2018)
ELECTRICAL (VL800TL8 E33)
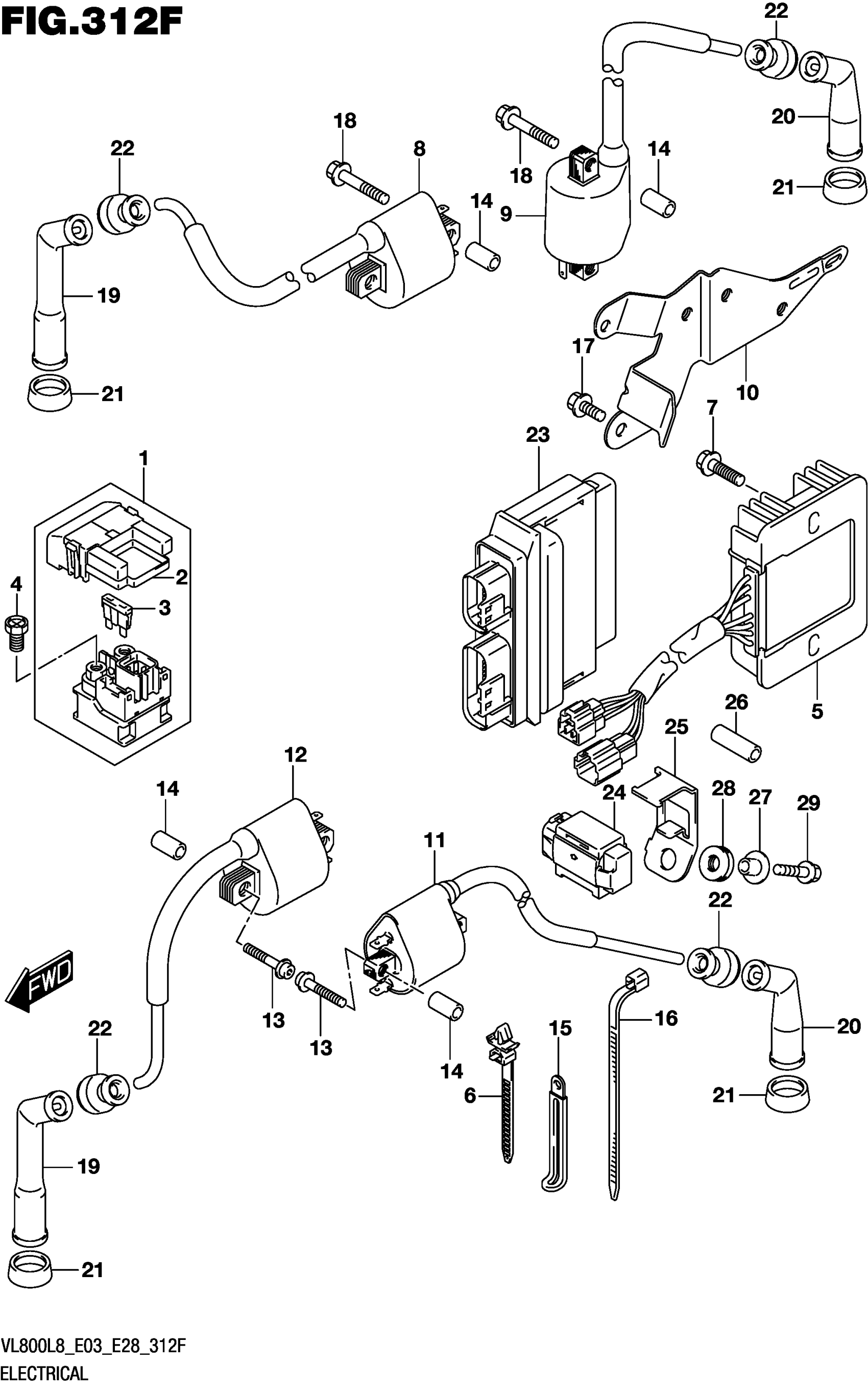
Suzuki VL800L8 (2018) ELECTRICAL (VL800TL8 E33) Diagram
#
Description
Price
10
BRACKET,IGN COIL REAR
33414-39G00
Unavailable
25
BRACKET,FUEL CUT SENSOR
33961-41F00
Unavailable
