- Partiron
- OEM Parts
- Suzuki
- Motorcycle
- 2014
- VL800CL4 (2014)
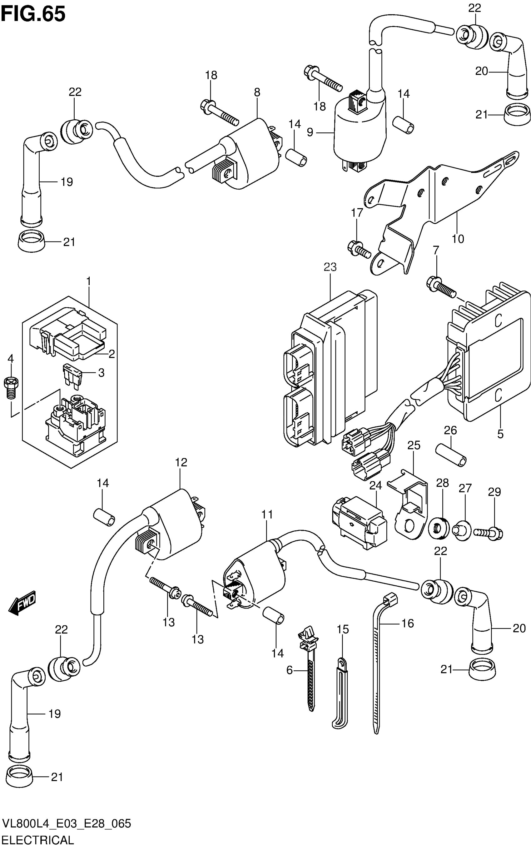
ELECTRICAL (VL800CL4 E33)
Suzuki VL800CL4 (2014) ELECTRICAL (VL800CL4 E33) Diagram
#
Description
Price
10
BRACKET, IGNITION COIL REAR
33414-39G00
Unavailable
25
BRACKET, FUEL CUT SENSOR
33961-41F00
Unavailable
